Запчасти для грузовых автомобилей
8-800-555-32-41
Перезвоните мне
Отправить готовую заявку
0
Корзина
Поиск
КАТАЛОГ ПРОДУКЦИИ
Запчасти УРАЛ
Запчасти КамАЗ
Запчасти АМТ
Запчасти ЧТЗ
Запчасти погрузчиков Dalian
Запчасти ЯМЗ
Двигатели ЯМЗ в сборе
Запчасти Shaanxi Fast Gear
Лебедки
Спецпредложения
О компании
Доставка и оплата
Гарантии и сервис
Контакты
Графические каталоги запчастей
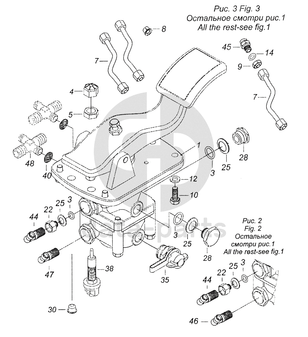
6520-3500014-34 Установка двухсекционного тормозного крана КамАЗ-43253 (Часть-2)
Главная
/
Графические каталоги
/
КамАЗ
/
КамАЗ-43253 (Часть-2)
/
6520-3500014-34 Установка двухсекционного тормозного крана
1
3
3
3
3
4
5
7
7
7
8
9
10
12
14
22
22
25
25
25
25
28
28
30
30
35
38
40
40
44
44
45
46
47
48
%
1
5320-3514108
Кран тормозной двухсекционный с педалью в сборе
Кол-во
1
?
Узнать цену
5320-3514108
Кран КАМАЗ-ЕВРО тормозной 2-х секционный в сборе с педалью
Производство:
ПАО КАМАЗ
4 в наличии
20 234
p
В корзину
3
740.1003439
Кольцо уплотнительное
Кол-во
4
?
Оставить заявку
4
53205-3720125
Наконечник сигнала торможения
Кол-во
1
?
Оставить заявку
5
53205-3720780
Гайка М12
Кол-во
1
?
Оставить заявку
7
53205-3570079
Трубка
Кол-во
2
?
Узнать цену
53205-3570079
трубка
Производство:
ПАО КАМАЗ
Под заказ
107
p
В корзину
7
53205-3570045
Трубка
Кол-во
2
?
Узнать цену
53205-3570045
Трубка полиамидная
Производство:
ПАО КАМАЗ
Под заказ
341
p
В корзину
8
4310-3727285
Втулка провода прожектора
Кол-во
2
?
Оставить заявку
9
1/07913/11
Гайка низкая М14х1,5-6Н
Кол-во
2
?
Узнать цену
1/07913/11
Гайка
Производство:
АО ЯЗДА
Под заказ
84
p
В корзину
10
1/60434/21
Болт М8-6gх20
Кол-во
8
?
Оставить заявку
12
1/05166/77
Шайба 8 пружинная
Кол-во
4
?
Узнать цену
1/05166/77
Шайба
Производство:
АО ЯЗДА
Под заказ
38
p
В корзину
14
1/26468/01
Шайба плоская 10,2х25х2
Кол-во
2
?
Оставить заявку
22
864806
Переходник
Кол-во
1
?
Оставить заявку
25
861024
Шайба
Кол-во
4
?
Узнать цену
861024
шайба
Производство:
ПАО КАМАЗ
200 в наличии
15
p
В корзину
28
864323
Пробка М22х1,5-6Н
Кол-во
3
?
Узнать цену
864323
Пробка КАМАЗ М22х1.5-6Н ЗИЛ МАЗ тормозной системы в сборе
Производство:
ПАО КАМАЗ
Под заказ
125
p
В корзину
30
864310
Пробка транспортная
Кол-во
1
?
Оставить заявку
30
305129
Пробка транспортная
Кол-во
1
?
Оставить заявку
35
45104351531000
Клапан контрольного вывода РП16-3515310
Кол-во
1
?
Оставить заявку
38
2108-3720010
Выключатель сигнала торможения ТУ 37.003.1159-83
Кол-во
1
?
Оставить заявку
40
45104350600500
Сетка СБИТ 305122. 003
Кол-во
2
?
Оставить заявку
40
45104350600400
Сетка АДЮИ.305.122.003
Кол-во
2
?
Оставить заявку
44
45104350604490
Фитинг угловой
Кол-во
1
?
Оставить заявку
45
45104350605100
Переходник
Кол-во
2
?
Оставить заявку
46
45104350604290
Фитинг угловой
Кол-во
1
?
Оставить заявку
47
45104350604390
Фитинг угловой
Кол-во
3
?
Оставить заявку
48
45104350601700
Крестовина
Кол-во
2
?
Оставить заявку
Получить консультацию
У нас большой опыт по подбору запчастей, и мы с радостью поможем вам найти нужную деталь, даже если вы не знаете ее артикул
Дмитрий Иванов
Директор отдела продаж
Мобильный номер:
8 (912) 474-74-74
E-mail:
td.uralval@mail.ru
Вы должны включить JavaScript чтобы использовать эту форму.
Ваше имя
Ваш телефон
Комментарий
Я соглашаюсь с
Политикой конфиденциальности
и даю согласие на обработку персональных данных.
Feed me
Отправить