Запчасти для грузовых автомобилей
8-800-555-32-41
Перезвоните мне
Отправить готовую заявку
0
Корзина
Поиск
КАТАЛОГ ПРОДУКЦИИ
Запчасти УРАЛ
Запчасти КамАЗ
Запчасти АМТ
Запчасти ЧТЗ
Запчасти погрузчиков Dalian
Запчасти ЯМЗ
Двигатели ЯМЗ в сборе
Запчасти Shaanxi Fast Gear
Лебедки
Спецпредложения
О компании
Доставка и оплата
Гарантии и сервис
Контакты
Графические каталоги запчастей
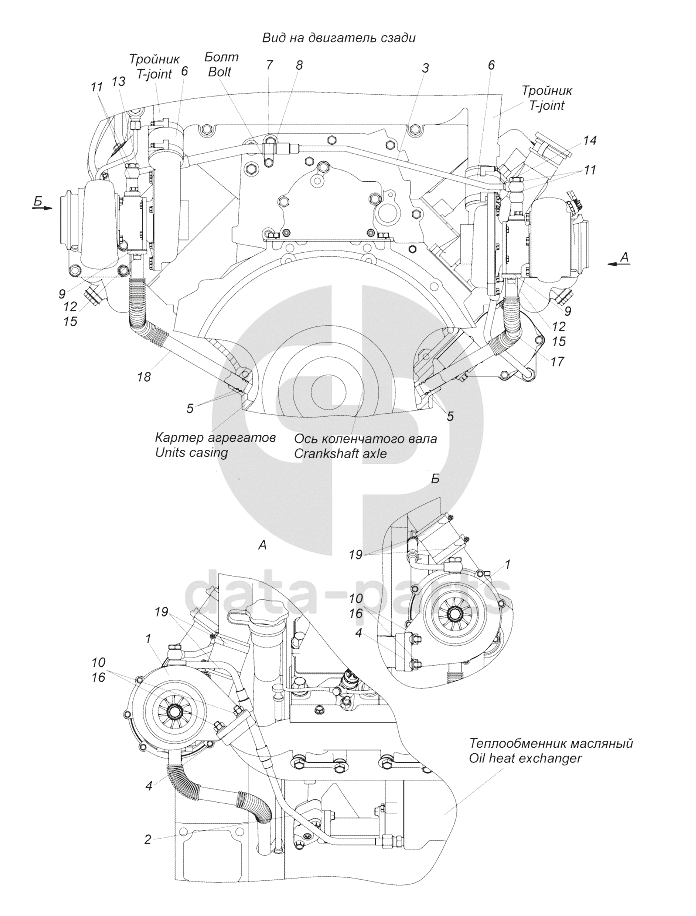
740.602-1118000-20 Установка турбокомпрессора КамАЗ-43118 (Евро 4)
Главная
/
Графические каталоги
/
КамАЗ
/
КамАЗ-43118 (Евро 4)
/
740.602-1118000-20 Установка турбокомпрессора
1
1
2
3
4
4
5
5
6
6
7
8
9
9
10
10
11
11
12
12
13
14
15
15
16
16
17
17
18
18
19
19
%
1
740.60-1118010
Турбокомпрессор
Кол-во
2
?
Узнать цену
740.60-1118010
ТКР 7С-6М
Производство:
ПАО КАМАЗ
Под заказ
25 974
p
В корзину
2
740.602-1118290
Трубка подвода масла
Кол-во
1
?
Узнать цену
740.602-1118290
трубка подвода масла
Производство:
ПАО КАМАЗ
Под заказ
2 310
p
В корзину
3
740.21-1118310-10
Трубка соединительная подвода масла
Кол-во
1
?
Узнать цену
740.21-1118310-10
трубка
Производство:
ПАО КАМАЗ
Под заказ
2 720
p
В корзину
4
7403.1118189
Прокладка турбины
Кол-во
2
?
Узнать цену
7403.1118189
Прокладка КАМАЗ-ЕВРО турбокомпрессора
Производство:
ПАО КАМАЗ
98 в наличии
183
p
В корзину
5
740.13-1118237
Кольцо уплотнительное
Кол-во
4
?
Оставить заявку
6
7406.1118276
Рукав 50х61-0,29
Кол-во
2
?
Оставить заявку
7
7405.1118322
Кляммер
Кол-во
1
?
Узнать цену
7405.1118322
клямер
Производство:
ПАО КАМАЗ
Под заказ
29
p
В корзину
8
7405.1118325
Прокладка
Кол-во
1
?
Оставить заявку
9
7405.1118335
Прокладка
Кол-во
2
?
Оставить заявку
10
1/21647/27
Гайка М10х1,25-6Н
Кол-во
8
?
Оставить заявку
11
1/02800/60
Прокладка уплотнительная 14х20х1,5
Кол-во
5
?
Оставить заявку
12
1/05166/73
Шайба 8 пружинная
Кол-во
4
?
Оставить заявку
13
870005
Болт М14х1,5-6gх30
Кол-во
1
?
Узнать цену
870005
Болт М14х1.5х30 фильтра топливного КАМАЗ
Производство:
ПАО КАМАЗ
Под заказ
81
p
В корзину
14
870031
Болт М14х1,5-6gх50
Кол-во
1
?
Узнать цену
870031
Болт М14х1.5х50 клапана электромагнитного КАМАЗ
Производство:
ПАО КАМАЗ
Под заказ
101
p
В корзину
15
870353-20
Винт М8-6gх25
Кол-во
4
?
Оставить заявку
16
870860
Шайба тарельчатая 10
Кол-во
8
?
Узнать цену
870860
Втулка КАМАЗ болта коллектора
Производство:
ПАО КАМАЗ
72 в наличии
24
p
В корзину
17
45104111826900
Трубка слива масла
Кол-во
1
?
Оставить заявку
17
45104111840000
Трубка слива масла, ТСМ29.2.400.00
Кол-во
1
?
Оставить заявку
18
45104111843000
Трубка слива масла, ТСМ29.2.430.00
Кол-во
1
?
Оставить заявку
18
45104111826902
Трубка слива масла
Кол-во
1
?
Оставить заявку
19
45104998010490
Хомут ТОRRО 50-70/12С7-W1
Кол-во
4
?
Оставить заявку
Получить консультацию
У нас большой опыт по подбору запчастей, и мы с радостью поможем вам найти нужную деталь, даже если вы не знаете ее артикул
Дмитрий Иванов
Директор отдела продаж
Мобильный номер:
8 (912) 474-74-74
E-mail:
td.uralval@mail.ru
Вы должны включить JavaScript чтобы использовать эту форму.
Ваше имя
Ваш телефон
Комментарий
Я соглашаюсь с
Политикой конфиденциальности
и даю согласие на обработку персональных данных.
Feed me
Отправить