Запчасти для грузовых автомобилей
8-800-555-32-41
Перезвоните мне
Отправить готовую заявку
0
Корзина
Поиск
КАТАЛОГ ПРОДУКЦИИ
Запчасти УРАЛ
Запчасти КамАЗ
Запчасти АМТ
Запчасти ЧТЗ
Запчасти погрузчиков Dalian
Запчасти ЯМЗ
Двигатели ЯМЗ в сборе
Запчасти Shaanxi Fast Gear
Лебедки
Спецпредложения
О компании
Доставка и оплата
Гарантии и сервис
Контакты
Графические каталоги запчастей
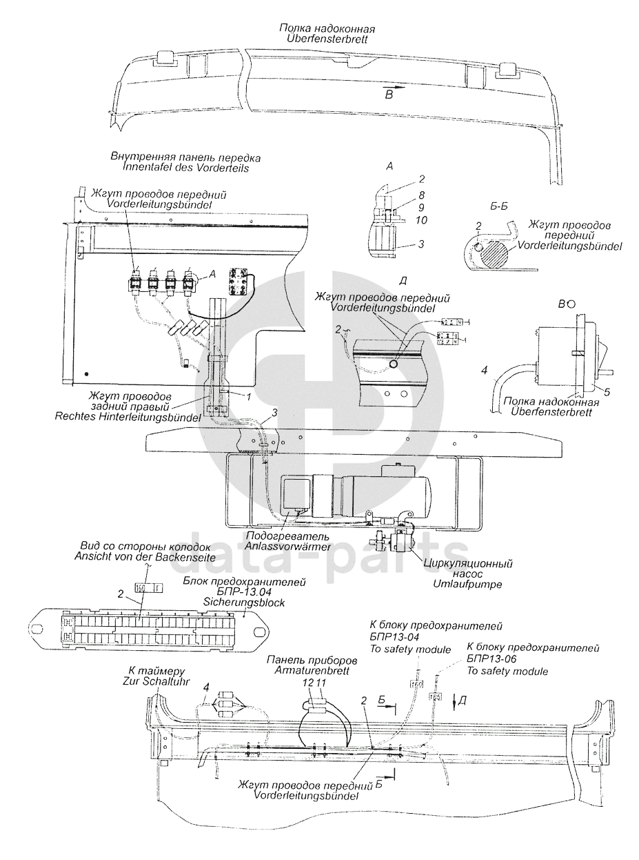
6520-3741001-92 Установка электрооборудования подогревателя КамАЗ-5308 (Евро 3)
Главная
/
Графические каталоги
/
КамАЗ
/
КамАЗ-5308 (Евро 3)
/
6520-3741001-92 Установка электрооборудования подогревателя
1
2
2
2
2
2
3
3
4
4
5
8
9
10
11
12
%
1
5320-3724680
Хомут крепления провода
Кол-во
10
?
Узнать цену
5320-3724680
хомут
Производство:
ПАО КАМАЗ
Под заказ
44
p
В корзину
2
6520-3741010-92
Жгут проводов подогревателя кабинный
Кол-во
1
?
Оставить заявку
3
6520-3741011-92
Жгут проводов подогревателя рамный
Кол-во
1
?
Оставить заявку
4
6520-3741030-92
Жгут проводов таймера
Кол-во
1
?
Оставить заявку
5
6520-3741060-92
Установка таймера
Кол-во
1
?
Оставить заявку
8
1/32719/01
Винт М4-6gх10
Кол-во
4
?
Оставить заявку
9
1/07940/11
Гайка низкая М4
Кол-во
4
?
Оставить заявку
10
1/05192/01
Шайба плоская 4х9
Кол-во
4
?
Оставить заявку
11
4573731326
Предохранитель плавкий ПР119Б-01 ТУ37.003.731-76
Кол-во
1
?
Оставить заявку
12
4573731245
Предохранитель плавкий 14.3722 ТУ37.003.1014-80
Кол-во
1
?
Оставить заявку
Получить консультацию
У нас большой опыт по подбору запчастей, и мы с радостью поможем вам найти нужную деталь, даже если вы не знаете ее артикул
Дмитрий Иванов
Директор отдела продаж
Мобильный номер:
8 (912) 474-74-74
E-mail:
td.uralval@mail.ru
Вы должны включить JavaScript чтобы использовать эту форму.
Ваше имя
Ваш телефон
Комментарий
Я соглашаюсь с
Политикой конфиденциальности
и даю согласие на обработку персональных данных.
Feed me
Отправить