|
Тип коробки передач
|
Механическая 12-ступенчатая с двумя промежуточными валами
|
|
Максимальный входной крутящий момент, Н.м
|
2400
|
|
Передаточные числа
|
1пер.-12,10; 2пер.-9,52; 3пер.-7,31; 4пер.-5,71; 5пер.-4,46; 6пер.-3,48; 7пер.-2,71; 8пер.-2,13; 9пер.-1,64; 10пер.-1,28; 11пер.-1,00; 12 пер.-0,78
|
|
Вес, кг
|
308
|
|
Применяемость
|
Автомобили Shachman
|
Каталог запасных частей КПП 12JSDX240TA+FHB400+QH50-G25930
Картер КПП 12JSDX240TA+FHB400+QH50-G25930

|
№
|
Каталожный номер
|
Наименование
|
Кол-во
|
|
1
|
1684
|
Прокладка бокового люка
|
1
|
|
2
|
14373
|
Магнит
|
3
|
|
3
|
16596
|
Крышка окошка нижней КОМ
|
1
|
|
4
|
16929
|
Прокладка нижнего люка
|
1
|
|
5
|
12JSDX160T-1701015-6
|
Картер КПП
|
1
|
|
6
|
C01056-4
|
Шпилька картера КПП
|
9
|
|
7
|
GB889.2-2000-M16X1.5
|
Гайка
|
9
|
|
8
|
JS130T-1701020
|
Крышка люка КОМ
|
1
|
|
9
|
Q1231630
|
Шпилька
|
2
|
|
10
|
Q1421032M
|
Болт
|
5
|
|
11
|
Q1421225M
|
Болт
|
2
|
|
13
|
Q341B16
|
Гайка
|
2
|
|
14
|
Q40112
|
Шайба
|
8
|
|
15
|
Q40116
|
Шайба
|
9
|
|
16
|
Q40316
|
Шайба
|
2
|
Картер муфты сцепления КПП 12JSDX240TA+FHB400+QH50-G25930

|
№
|
Каталожный номер
|
Наименование
|
Кол-во
|
|
1
|
C09034
|
Болт
|
2
|
|
3
|
JS180-1701040-4
|
Крышка подшипника первичного вала
|
1
|
|
4
|
Q1421032M
|
Болт крышки первичного вала
|
4
|
|
6
|
F500A-1802191
|
Манжета первичного вала
|
1
|
|
7
|
14311
|
Прокладка крышки подшипника первичного вала
|
1
|
|
8
|
Q1421238M
|
Болт картера муфты сцепления
|
2
|
|
10
|
C04004-6
|
Крышка ручного люка сцепления
|
1
|
|
11
|
Q142B0812
|
Болт
|
2
|
|
13
|
Q43125
|
Кольцо стопорное
|
2
|
|
14
|
JS180-1601029-1
|
Пылезащитный колпачок
|
2
|
|
15
|
Q43042
|
Кольцо стопорное
|
2
|
|
16
|
JS180-1601030-2
|
Втулка вала вилки сцепления
|
2
|
|
17
|
GE25ES
|
Подшипник вилки сцепления
|
1
|
|
18
|
Q1421235
|
Болт
|
4
|
|
20
|
JS180-1601024-7
|
Кронштейн вилки сцепления
|
1
|
|
21
|
JS180-1601021-6
|
Вилка сцепления
|
1
|
|
22
|
JS180-1601023-3
|
Вал вилки сцепления
|
1
|
|
23
|
J75-1601033
|
Смазочная гибкая трубка в сборе
|
1
|
|
24
|
J75-1601031
|
Фитинг
|
1
|
|
25
|
J75-1601035
|
Гнездо под масленку
|
1
|
|
26
|
J75-1601034
|
Крышка под масленку
|
1
|
|
27
|
Q40310
|
Шайба пружинная
|
1
|
|
28
|
Q72310T3
|
Шайба уплотнительная
|
2
|
|
29
|
15410-77
|
Картер муфты сцепления
|
1
|
Вал вторичный КПП 12JSDX240TA+FHB400+QH50-G25930

|
№
|
Каталожный номер
|
Наименование
|
Кол-во
|
|
1
|
12JSDX240TA-1701116
|
Шестерня первичного вала
|
1
|
|
2
|
9JS200T-1701123
|
Кольцо стопорное
|
6
|
|
3
|
12JSDX240T-1701190
|
Синхронизатор 5-й, 6-й передачи
|
1
|
|
4
|
12JSDX240TA-1701115
|
Шестерня 5-й передачи вторичного вала
|
1
|
|
5
|
9JS200T-1701122
|
Прокладка шестерен вторичного вала
|
8
|
|
6
|
12JSDX240T-1701180
|
Синхронизатор 3-й, 4-й передачи
|
1
|
|
7
|
12JSDX240TA-1701114
|
Шестерня 4-й передачи вторичного вала
|
1
|
|
8
|
12JSDX240TA-1701113
|
Шестерня 3-й передачи вторичного вала
|
1
|
|
9
|
12JSDX240T-1701112-2
|
Шестерня 2-й передачи вторичного вала
|
1
|
|
10
|
12JSDX240T-1701170-1
|
Синхронизатор 1-й, 2-й передачи
|
1
|
|
11
|
12JSDX240T-1701111-1
|
Шестерня 1-й передачи вторичного вала
|
1
|
|
12
|
12JSDX240T-1701108
|
Втулка вторичного вала
|
1
|
|
13
|
12JSDX240T-1701110
|
Шестерня задней передачи вторичного вала
|
1
|
|
14
|
12JSDX240T-1701125
|
Прокладка шестерни задней передачи вторичного вала
|
1
|
|
16
|
12JSDX220T-1701121B
|
Шпонка вторичного вала
|
1
|
|
17
|
12JSDX240T-1701105
|
Вал вторичный
|
1
|
Вал промежуточный левый КПП 12JSDX240TA+FHB400+QH50-G25930

|
№
|
Каталожный номер
|
Наименование
|
Кол-во
|
|
1
|
12JSDX240TA-1701056
|
Шестерня ведущая промежуточного вала
|
1
|
|
2
|
12JSDX240T-1701057
|
Втулка распорная
|
1
|
|
3
|
12JSDX240TA-1701052
|
Шестерня 5-й передачи промежуточного вала
|
1
|
|
4
|
12JSDX240TA-1701051
|
Шестерня 4-й передачи промежуточного вала
|
1
|
|
5
|
12JSDX240TA-1701050
|
Шестерня 3-й передачи промежуточного вала
|
1
|
|
6
|
C01021
|
Кольцо стопорное промежуточного вала
|
1
|
|
7
|
NUP2211ENM-C3
|
Подшипник
|
1
|
|
8
|
6DS100T-1701058
|
Кольцо стопорное
|
1
|
|
9
|
12JSDX240T-1701048-2
|
Вал промежуточный левый
|
1
|
|
10
|
16JS200T-1701055
|
Шпонка квадратная промежуточного вала
|
1
|
|
11
|
Q5280514
|
Палец цилиндрический упругий
|
1
|
|
12
|
X-6-E
|
Шпонка полукруглая
|
1
|
|
13
|
102309E
|
Подшипник
|
1
|
|
14
|
12JSD200T-1708021-1
|
Приводная шестерня масляного насоса
|
1
|
|
15
|
12JSD200T-1701058-1
|
Кольцо стопорное
|
1
|
Вал промежуточный правый КПП 12JSDX240TA+FHB400+QH50-G25930

|
№
|
Каталожный номер
|
Наименование
|
Кол-во
|
|
1
|
12JSDX240TA-1701056
|
Шестерня ведущая промежуточного вала
|
1
|
|
2
|
12JSDX240T-1701057
|
Втулка распорная
|
1
|
|
3
|
12JSDX240TA-1701052
|
Шестерня 5-й передачи промежуточного вала
|
1
|
|
4
|
12JSDX240TA-1701051
|
Шестерня 4-й передачи промежуточного вала
|
1
|
|
5
|
12JSDX240TA-1701050
|
Шестерня 3-й передачи промежуточного вала
|
1
|
|
6
|
C01021
|
Кольцо стопорное
|
1
|
|
7
|
NUP2211ENM
|
Подшипник
|
1
|
|
8
|
6DS100T-1701058
|
Кольцо стопорное
|
1
|
|
9
|
12JSDX240T-1701049-2
|
Вал промежуточный правый
|
1
|
|
10
|
16JS200T-1701055
|
Шпонка квадратная промежуточного вала
|
1
|
|
11
|
Q5280514
|
Штифт цилиндрический упругий
|
1
|
|
12
|
X-6-E
|
Шпонка полукруглая
|
1
|
|
13
|
102309E
|
Подшипник
|
1
|
Вал первичный КПП 12JSDX240TA+FHB400+QH50-G25930

|
№
|
Каталожный номер
|
Наименование
|
Кол-во
|
|
1
|
16980
|
Кольцо стопорное
|
1
|
|
2
|
C01020
|
Кольцо стопорное
|
1
|
|
3
|
150212K
|
Подшипник
|
1
|
|
4
|
16463
|
Втулка шестерни первичного вала
|
1
|
|
5
|
14750
|
Кольцо стопорное
|
1
|
|
6
|
12JS160T-1701030-4
|
Вал первичный
|
1
|
|
7
|
K304523
|
Подшипник
|
1
|
Вал промежуточный заднего хода КПП 12JSDX240TA+FHB400+QH50-G25930

|
№
|
Каталожный номер
|
Наименование
|
Кол-во
|
|
1
|
16980
|
Кольцо стопорное
|
1
|
|
2
|
C01020
|
Кольцо стопорное
|
1
|
|
3
|
150212K
|
Подшипник
|
1
|
|
4
|
16463
|
Втулка шестерни первичного вала
|
1
|
|
5
|
14750
|
Кольцо стопорное
|
1
|
|
6
|
12JS160T-1701030-4
|
Вал первичный
|
1
|
|
7
|
K304523
|
Подшипник
|
1
|
Вал промежуточный заднего хода КПП 12JSDX240TA+FHB400+QH50-G25930

|
№
|
Каталожный номер
|
Наименование
|
Кол-во
|
|
1
|
GB889.2-2000-M20X1.5
|
Гайка
|
2
|
|
2
|
JS220-1701088
|
Шайба
|
2
|
|
3
|
JS220-1701087
|
Шайба упорная подшипника
|
2
|
|
4
|
12JS200T-1701083
|
Шестерня промежуточная задней передачи
|
2
|
|
5
|
DS100-1701085
|
Подшипник роликовый
|
2
|
|
6
|
12JS160T-1701084
|
Шайба чашевидная вала задней передачи
|
2
|
|
7
|
JS220-1701082
|
Вал промежуточный заднего хода
|
2
|
|
8
|
Q2821212
|
Пробка
|
2
|
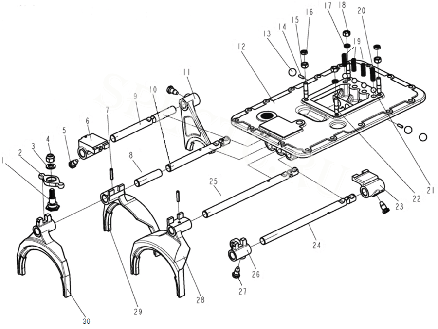
Механизм переключения передач КПП 12JSDX240TA+FHB400+QH50-G25930

|
№
|
Каталожный номер
|
Наименование
|
Кол-во
|
|
1
|
JS100A-1702073
|
Палец опорный
|
1
|
|
2
|
JS100A-1702072
|
Вилка
|
1
|
|
3
|
Q40112
|
Шайба
|
1
|
|
4
|
GB889-80-M12X125
|
Гайка
|
1
|
|
5
|
3220
|
Болт стопорный вилки переключения передач
|
4
|
|
6
|
12JS160T-1702050
|
Головка направляющая задней передачи в сборе
|
1
|
|
7
|
Q5280628
|
Штифт
|
2
|
|
8
|
12JS160T-1702067-1
|
Вал вилки 5-й, 6-й передачи
|
1
|
|
9
|
12JSDX240T-1702063
|
Шток вилки переключения задней передачи
|
1
|
|
10
|
12JSDX240T-1702064
|
Шток вилки переключения 1-й, 2-й, 3-й и 4-й передачи
|
1
|
|
11
|
12JS160T-1702055
|
Вилка переключения задней передачи
|
1
|
|
12
|
12JS160T-1702015
|
Крышка верхняя
|
1
|
|
13
|
19.5G100BGB-T308
|
Шарик стальной
|
3
|
|
14
|
1634
|
Штифт блокировки вала вилки
|
2
|
|
15
|
X-1-603
|
Гайка
|
2
|
|
16
|
Q351B10
|
Гайка
|
2
|
|
17
|
Q40310
|
Шайба пружинная
|
2
|
|
18
|
Q361B10
|
Гайка
|
2
|
|
19
|
F96085
|
Пружина
|
3
|
|
20
|
F96084
|
Пружина
|
1
|
|
21
|
12.7G100BGB-T308
|
Шарик стальной
|
4
|
|
22
|
11066
|
Шпилька
|
4
|
|
23
|
12JS160T-1702054
|
Головка переключения 5-й и 6-й передачи
|
1
|
|
24
|
12JSDX240T-1702066
|
Шток вилки переключения 5-й и 6-й передачи
|
1
|
|
25
|
12JSDX240TA-1702064
|
Шток вилки переключения 1-й, 2-й, 3-й и 4-й передачи
|
1
|
|
26
|
12JS160T-1702059-1
|
Головка переключения 5-й и 6-й передачи
|
1
|
|
27
|
3220-1
|
Винт стопорный вилки переключения передач
|
1
|
|
28
|
12JSDX240T-1702057
|
Вилка переключения 3-й, 4-й передачи
|
1
|
|
29
|
12JSDX240T-1702056
|
Вилка переключения 1-й, 2-й передачи
|
1
|
|
30
|
12JSDX240TA-1702058
|
Вилка переключения 5-й, 6-й передачи
|
1
|
Механизм управления переключением передач КПП 12JSDX240TA+FHB400+QH50-G25930

|
№
|
Каталожный номер
|
Наименование
|
Кол-во
|
|
1
|
Q341B10
|
Гайка
|
1
|
|
2
|
Q40310
|
Шайба пружинная
|
1
|
|
3
|
F96035-85
|
Рычаг валика переключения передач
|
1
|
|
4
|
F99669
|
Втулка (пыльник)
|
1
|
|
5
|
F91444
|
Манжета валика переключения передач
|
1
|
|
6
|
F91345
|
Втулка механизма управления переключением передач
|
2
|
|
7
|
15276
|
Пробка сапуна
|
1
|
|
8
|
C03016
|
Защитная втулка переключателя
|
2
|
|
9
|
0068DS-1
|
Датчик включения заднего хода
|
1
|
|
10
|
Q72318
|
Кольцо уплотнительное датчика
|
2
|
|
11
|
990.12.71.0041-3
|
Датчик нейтрального положения выбора передач
|
1
|
|
12
|
Q72224
|
Заглушка механизма управления
|
1
|
|
13
|
12JSD160T-1703015
|
Корпус механизма управления переключением передач
|
1
|
|
14
|
F99673-1
|
Гнездо пружины
|
2
|
|
15
|
12JS160T-1703027-1
|
Пружина
|
1
|
|
16
|
Q43120
|
Кольцо стопорное
|
1
|
|
17
|
12JS160T-1703024
|
Втулка
|
1
|
|
18
|
F99672-2
|
Прокладка
|
1
|
|
19
|
F99666-2
|
Крышка
|
1
|
|
20
|
Q1420822
|
Болт
|
2
|
|
21
|
C03030
|
Палец цилиндрический
|
1
|
|
22
|
12JS160T-1703018
|
Держатель
|
1
|
|
23
|
C01051
|
Фитинг прямой
|
1
|
|
24
|
QH50-4211313
|
Внутренний шестигранный болт с пружинной шайбой
|
2
|
|
25
|
12JS160T-1703022
|
Клапан контрольный
|
1
|
|
26
|
12JS160T-1703021
|
Соединитель быстрого переключения
|
1
|
|
27
|
C01053
|
Тройник
|
1
|
|
28
|
F91353
|
Прокладка Н-образного клапана
|
1
|
|
29
|
12JS160T-1703017
|
Валик механизма управления переключением передач
|
1
|
|
30
|
C09035
|
Штифт блока управления переключением задней передачи
|
1
|
|
31
|
F99681
|
Блок управления переключением заднего хода
|
1
|
|
32
|
Q151B1050
|
Болт рычага переключения передач
|
1
|
Клапан одинарный Н-образный в сборе КПП 12JSDX240TA+FHB400+QH50-G25930

|
№
|
Каталожный номер
|
Наименование
|
Кол-во
|
|
1
|
7935
|
Сапун
|
2
|
|
2
|
C01051
|
Фитинг прямой
|
5
|
|
3
|
66606
|
Воздушная трубка в сборе
|
1
|
|
4
|
66605
|
Воздушная трубка в сборе
|
1
|
|
5
|
66607
|
Воздушная трубка в сборе
|
1
|
|
6
|
12JS160T-1703021
|
Соединитель быстрого переключения
|
1
|
|
7
|
12JS160T-1703052
|
Клапан одинарный Н-образный
|
1
|
Шестерня ведущая демультипликатора КПП 12JSDX240TA+FHB400+QH50-G25930

|
№
|
Каталожный номер
|
Наименование
|
Кол-во
|
|
1
|
12JS160T-1701107
|
Кольцо стопорное
|
1
|
|
2
|
12JS160T-1701106
|
Шайба шестерни
|
1
|
|
3
|
12JSDX220T-1701126B
|
Опора подшипника
|
1
|
|
4
|
6217N-YB
|
Подшипник
|
1
|
|
5
|
10JSX180-1701019
|
Кольцо стопорное
|
1
|
|
6
|
10JSX180-1707031
|
Фиксирующий диск подшипника демультипликатора
|
1
|
|
7
|
C09032
|
Болт
|
6
|
|
8
|
1819
|
Проволока
|
по потребности
|
|
9
|
12JSDX240TA-1707030
|
Шестерня ведущая демультипликатора
|
1
|
|
10
|
9JS200T-1701123
|
Кольцо стопорное
|
1
|
Крышка задняя с ретардером в сборе КПП 12JSDX240TA+FHB400+QH50-G25930

|
№
|
Каталожный номер
|
Наименование
|
Кол-во
|
|
1
|
RTD-11609A-1707067
|
Вилка демультипликатора
|
1
|
|
2
|
12JSD200T-1707060-1
|
Шток пневмоцилиндра в сборе
|
1
|
|
3
|
14347
|
Прокладка цилиндра переключения передач
|
1
|
|
4
|
12JSD200T-1707065-1
|
Цилиндр переключения передач
|
1
|
|
5
|
14349
|
Прокладка крышки цилиндра
|
1
|
|
6
|
12JSD200T-1707066-1
|
Поршень цилиндра переключения передач
|
1
|
|
7
|
12JSD200T-1707050-1
|
Вал промежуточный демультипликатора (короткий)
|
1
|
|
8
|
12JSD200T-1707016-1
|
Крышка задняя под ретардер
|
1
|
|
9
|
QH70-4211401-17
|
Цилиндр нейтрального положения (двухпоршневой)
|
1
|
|
10
|
192311E
|
Подшипник промежуточного вала демультипликатора
|
2
|
|
11
|
Q433120
|
Кольцо стопорное
|
2
|
|
12
|
JS180-1707051
|
Кольцо стопорное
|
2
|
|
13
|
12JSD200T-1707047-6
|
Вал промежуточный демультипликатора длинный под ретардер
|
1
|
|
14
|
32216
|
Подшипник роликовый конический
|
1
|
|
15
|
FQZH0210G185TF6
|
Болт
|
1
|
|
16
|
Q1421055
|
Болт
|
3
|
|
17
|
Q171B0825
|
Болт
|
12
|
|
18
|
Q171B1250
|
Болт вилки демультипликатора
|
2
|
|
19
|
12JSD200T-1707072-3
|
Втулка выходного вала
|
1
|
|
20
|
12JSD200T-1707068-2
|
Шайба
|
2
|
|
21
|
JS220-1707111
|
Втулка ведущей шестерни спидометра
|
1
|
|
22
|
Q12014100
|
Стержень
|
2
|
|
23
|
Q40310
|
Пружинная шайба
|
1
|
|
24
|
FQZH0210G165TF6
|
Болт
|
4
|
|
25
|
Q1421032M
|
Болт
|
4
|
|
26
|
12JSDX240T-1701157-3
|
Ротор спидометра
|
1
|
|
27
|
C03054-16
|
Датчик спидометра
|
1
|
|
28
|
12JSD200T-1707019-4
|
Крышка подшипника выходного вала
|
1
|
|
29
|
19109-2
|
Сальник выходного вала
|
1
|
|
30
|
Q1421085
|
Болт
|
3
|
|
31
|
Q40308
|
Пружинная шайба
|
12
|
|
32
|
FHB400-SQ1
|
Ретардер в сборе
|
1
|
|
33
|
F96119
|
Пыльник фланца
|
1
|
|
34
|
GB3452_1-132X3_55
|
Кольцо уплотнительное фланца
|
1
|
|
35
|
Q12014140
|
Болт
|
3
|
|
36
|
Q32014
|
Гайка
|
5
|
|
37
|
Q1421040
|
Болт
|
11
|
|
38
|
12JSD200T-1707021-1
|
Проставка промежуточного вала демультипликатора
|
1
|
|
39
|
12JSD200T-1707022-4
|
Шестерня ретардера
|
1
|
|
40
|
12JSD200T-1707015-1
|
Проставка под ретардер
|
1
|
|
41
|
Q5211645
|
Штифт цилиндрический
|
2
|
|
42
|
JM714249-210-Q
|
Подшипник роликовый
|
1
|
|
43
|
12JSDX240T-1707108
|
Шайба шестерни выходного вала демультипликатора
|
1
|
|
44
|
12JSD200T-1707105-14
|
Вал выходной
|
1
|
|
45
|
12JSDX240T-1707107
|
Шайба главного вала демультипликатора
|
1
|
|
46
|
12JSDX240T-1707106-2
|
Шестерня выходного вала демультипликатора
|
1
|
|
47
|
11847140-1
|
Синхронизатор демультипликатора
|
1
|
|
48
|
RTD-11609A-1707054-1
|
Кольцо ступенчатое
|
1
|
Крышка подшипника выходного вала КПП 12JSDX240TA+FHB400+QH50-G25930

|
№
|
Каталожный номер
|
Наименование
|
Кол-во
|
|
1
|
12JSDX240T-1701157-3
|
Ротор спидометра
|
1
|
|
2
|
19109-2
|
Сальник выходного вала
|
1
|
|
3
|
JS220-1707111
|
Втулка ведущей шестерни спидометра
|
1
|
|
4
|
RTD-11609A-1707155-5
|
Крышка подшипника выходного вала
|
1
|
|
5
|
C03054-16
|
Датчик спидометра
|
1
|
Картер КПП 12JSDX240TA+FHB400+QH50-G25930

|
№
|
Каталожный номер
|
Наименование
|
Кол-во
|
|
1
|
JS150TA-1708092B-1
|
Болт редукционного клапана
|
2
|
|
2
|
JS150TA-1708093B-1
|
Кольцо уплотнительное болта редукционного клапана
|
2
|
|
3
|
JS150TA-1708090B-1
|
Клапан редукционный
|
1
|
|
4
|
JS150TA-1708091B-1
|
Прокладка редукционного клапана
|
1
|
|
5
|
10JSX220A-1708080
|
Насос масляный в сборе
|
1
|
|
6
|
12JSD200T-1701058-1
|
Кольцо стопорное
|
1
|
|
7
|
12JSD200T-1708021-1
|
Приводная шестерня масляного насоса
|
1
|