
|
Тип коробки передач
|
Полностью синхронизированная механическая 9-ступенчатая с двумя промежуточными валами
|
|
Максимальный входной крутящий момент, Н.м
|
1350
|
|
Передаточные числа
|
1пер.-11,02; 2пер.-6,55; 3пер.-4,64; 4пер.-3,36; 5пер.-2,46; 6пер.-1,95; 7пер.-1,38; 8пер.-1,00; 9пер.-0,73
|
|
Вес, кг
|
280
|
|
Длинна, мм
|
988
|
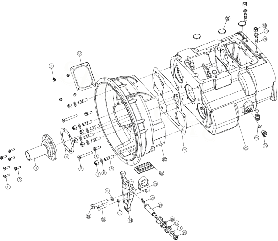
Каталог запасных частей КПП 9JS135TA+QH50-G18032
Картер сцепления и коробки передач 9JS135TA+QH50-G18032

| № |
Каталожный номер |
Наименование |
Кол-во |
| 1 |
C09034 |
Болт |
2 |
| 2 |
Q1421032M |
Болт |
4 |
| 3 |
JS180A-1701040-3 |
Крышка первичного вала |
1 |
| 4 |
14311 |
Прокладка крышки первичного вала |
1 |
| 5 |
Q1421290M |
Болт |
2 |
| 6 |
Q1421038M |
Болт |
2 |
| 7 |
GB889.2-2000-M16X15 |
Гайка |
6 |
| 8 |
Q40116 |
Стопорная шайба |
6 |
| 9 |
C01056 |
Шпилька картера КПП |
6 |
| 10 |
Q151B18100 |
Болт |
1 |
| 11 |
Q40318 |
Стопорная шайба |
1 |
| 12 |
Q151B1450TF2 |
Болт |
1 |
| 13 |
Q40314 |
Стопорная шайба |
1 |
| 14 |
JS180-1601021-14 |
Вилка сцепления |
1 |
| 15 |
GB889_2-2000-M16X1_5 |
Гайка |
1 |
| 16 |
JS180-1601022-1 |
Шайба |
1 |
| 17 |
JS180-1601030-3 |
Втулка |
2 |
| 18 |
GE25ES |
Подшипник |
1 |
| 19 |
JS180-1601023-4 |
Вал вилки сцепления |
1 |
| 20 |
Q701B45 |
Масленка |
1 |
| 21 |
JS180-1601024-11 |
Опора вилки сцепления |
1 |
| 22 |
JS180-1601016-2 |
Крышка ручного люка |
1 |
| 23 |
JS180-1601015-6 |
Картер сцепления |
1 |
| 24 |
20822 |
Прокладка корпуса муфты |
1 |
| 25 |
18686-15 |
Картер КПП |
1 |
| 26 |
6JS160T-1709588-1 |
Кольцо уплотнительное |
2 |
| 27 |
6JS160T-1709587-1 |
Пробка масляная |
1 |
| 28 |
Q1231630 |
Шпилька |
2 |
| 29 |
Q40316 |
Стопорная шайба |
2 |
| 30 |
Q341B16 |
Гайка |
2 |
| 31 |
14373 |
Магнит |
3 |
| 32 |
JS180-1601016-1 |
Крышка ручного люка |
1 |
| 33 |
Q1421025 |
Болт |
4 |
Вал вторичный КПП 9JS135TA+QH50-G18032

|
№
|
Каталожный номер
|
Наименование
|
Кол-во
|
|
1
|
JS135TA-1701030
|
Шестерня первичного вала
|
1
|
|
2
|
16763
|
Кольцо стопорное
|
4
|
|
3
|
JS130T-1701180
|
Синхронизатор
|
2
|
|
4
|
JS135TA-1701113
|
Шестерня повышающей передачи вторичного вала
|
1
|
|
5
|
12JS160T-1701122
|
Прокладка шестерен вторичного вала
|
4
|
|
6
|
12JS160T-1701123
|
Прокладка шестерен вторичного вала
|
2
|
|
7
|
JS135TA-1701112
|
Шестерня 2-й передачи вторичного вала
|
1
|
|
8
|
JS150TA-1701111B
|
Шестерня 1-й передачи вторичного вала
|
1
|
|
9
|
JS150T-1701110B
|
Шестерня понижающей передачи вторичного вала
|
1
|
|
10
|
JS150T-1701108
|
Втулка вторичного вала
|
1
|
|
11
|
JS150T-1701109B
|
Шестерня заднего хода вторичного вала
|
1
|
|
12
|
12JS160T-1701125
|
Прокладка шестерни задней передачи вторичного вала
|
1
|
|
13
|
Q5280310
|
Палец цилиндрический упругий
|
1
|
|
14
|
JS150T-1701121B
|
Шпонка вторичного вала
|
1
|
|
15
|
JS150T-1701105B
|
Вал вторичный
|
1
|
Вал промежуточный КПП 9JS135TA+QH50-G18032

| № |
Каталожный номер |
Наименование |
Кол-во |
| 1 |
Q151B1645M |
Болт |
2 |
| 2 |
19668 |
Отбойник промежуточного вала |
2 |
| 3 |
Q5280514 |
Палец цилиндрический упругий |
2 |
| 4 |
370309Y |
Подшипник промежуточного вала |
2 |
| 5 |
C01021 |
Кольцо стопорное промежуточного вала |
2 |
| 6 |
19198 |
Кольцо стопорное промежуточного вала |
2 |
| 7 |
JS135TA-1701056 |
Шестерня ведущая промежуточного вала |
2 |
| 8 |
JS150T-1701055B |
Втулка распорная промежуточного вала |
2 |
| 9 |
14317 |
Кольцо стопорное |
2 |
| 10 |
JS135TA-1701051 |
Шестерня повышающей передачи промежуточного вала |
2 |
| 11 |
JS135TA-1701050 |
Шестерня 2-й передачи промежуточного вала |
2 |
| 12 |
JS150TA-1701049B |
Шестерня 1-й передачи промежуточного вала |
2 |
| 13 |
19673 |
Шпонка промежуточного вала |
2 |
| 14 |
X-6-E |
Шпонка полукруглая |
2 |
| 15 |
JS150T-1701048B |
Вал промежуточный |
2 |
| 16 |
102308E |
Подшипник промежуточного вала |
2 |
Вал первичный КПП 9JS135TA+QH50-G18031

|
№
|
Каталожный номер
|
Наименование
|
Кол-во
|
|
1
|
16980
|
Кольцо стопорное
|
1
|
|
2
|
C01020
|
Кольцо стопорное
|
1
|
|
3
|
150212K
|
Подшипник
|
1
|
|
4
|
16463
|
Втулка шестерни первичного вала
|
1
|
|
5
|
14750
|
Кольцо стопорное
|
1
|
|
6
|
JS180A-1701030-3
|
Вал первичный
|
1
|
|
7
|
16566
|
Втулка направляющая первичного вала
|
1
|
Вал промежуточный заднего хода КПП 9JS135TA+QH50-G18032

|
№
|
Каталожный номер
|
Наименование
|
Кол-во
|
|
1
|
GB890-80-M16X1.5
|
Гайка
|
2
|
|
2
|
14283
|
Прокладка промежуточного вала заднего хода
|
2
|
|
3
|
14282
|
Шайба промежуточного вала заднего хода
|
2
|
|
4
|
14287
|
Подшипник промежуточного вала заднего хода
|
2
|
|
5
|
JS150T-1701083B
|
Шестерня промежуточного вала заднего хода
|
2
|
|
6
|
16403
|
Шайба чашевидная заднего хода
|
2
|
|
7
|
16405
|
Вал промежуточный заднего хода
|
2
|
|
8
|
Q2821212
|
Заглушка
|
2
|
Механизм переключения передач КПП 9JS135TA+QH50-G18032

|
№
|
Каталожный номер
|
Наименование
|
Кол-во
|
|
1
|
JS150TA-1702056B
|
Вилка переключения 3-й и 4-й передач
|
1
|
|
2
|
JS150TA-1702064B
|
Шток вилки переключения пониженной и задней передач
|
1
|
|
3
|
8968
|
Винт блокировки заднего хода
|
1
|
|
4
|
8774
|
Пружина блокировки задней передачи
|
1
|
|
5
|
F99671
|
Палец вилки задней передачи
|
1
|
|
6
|
3220
|
Болт стопорный вилки переключения передач
|
5
|
|
7
|
JS150T-1702054B
|
Вилка переключения заднего хода
|
1
|
|
8
|
JS150T-1702052B
|
Головка переключения передач
|
1
|
|
9
|
JS150TA-1702065B
|
Шток вилки переключения передач
|
1
|
|
10
|
JS150TA-1702055B
|
Вилка переключения 1-й и 2-й передач
|
1
|
|
11
|
JS100A-1702054
|
Головка переключения 3-ей и 4-ой передачи
|
1
|
|
12
|
JS150TA-1702066B
|
Шток вилки переключения 3-ей и 4-ой передач
|
1
|
|
13
|
JS100A-1702053
|
Головка переключения передач
|
1
|
|
14
|
JS100A-1702073
|
Палец опорный вала
|
1
|
|
15
|
JS100A-1702072
|
Вилка
|
1
|
|
16
|
1634
|
Штифт блокировки вала вилки
|
1
|
|
17
|
19.05G100BGB-T308
|
Шарик стальной
|
2
|
|
18
|
JS100A-1702015
|
Крышка верхняя
|
1
|
|
19
|
12.7G100BGB-T308
|
Шарик стальной
|
3
|
|
20
|
F96084
|
Пружина фиксаторов штоков
|
1
|
|
21
|
F96085
|
Пружина фиксаторов штоков
|
2
|
|
22
|
X-1-603
|
Гайка
|
2
|
|
23
|
Q351B10
|
Гайка
|
2
|
|
24
|
Q40310
|
Шайба пружинная
|
2
|
|
25
|
Q361B10
|
Гайка
|
2
|
|
26
|
11066
|
Шпилька
|
4
|
|
27
|
GB889-80-M12X1.25
|
Гайка
|
1
|
|
28
|
Q40112
|
Шайба
|
1
|
|
29
|
1642
|
Прокладка механизма управления переключением передач
|
1
|
|
30
|
14918
|
Прокладка верхней крышки
|
1
|
Механизм управления переключением передач КПП 9JS135TA+QH50-G18032

|
№
|
Каталожный номер
|
Наименование
|
Кол-во
|
|
1
|
Q341B10
|
Гайка
|
1
|
|
2
|
Q40310
|
Шайба пружинная
|
1
|
|
3
|
F96035-64
|
Рычаг переключения передач
|
1
|
|
4
|
Q151B1050
|
Болт рычага переключения передач
|
1
|
|
5
|
F99669
|
Втулка (пыльник)
|
1
|
|
6
|
F91444
|
Манжета валика переключения передач
|
1
|
|
7
|
F99681
|
Блок управления переключением заднего хода
|
1
|
|
8
|
C09035
|
Штифт блока управления переключением заднего хода
|
1
|
|
9
|
F99679
|
Валик механизма управления переключением передач
|
1
|
|
10
|
F91345
|
Втулка механизма управления переключением передач
|
2
|
|
11
|
F99585
|
Держатель
|
1
|
|
12
|
C03030
|
Палец цилиндрический
|
1
|
|
13
|
F99983
|
Пружина
|
1
|
|
14
|
F99673
|
Опора пружины
|
2
|
|
15
|
F99674
|
Втулка пружинная
|
1
|
|
16
|
F99675
|
Фиксирующее кольцо
|
1
|
|
17
|
F96036
|
Пружина
|
1
|
|
18
|
C09035
|
Штифт блока управления переключением задней передачи
|
1
|
|
19
|
Q72318
|
Кольцо уплотнительное датчика
|
1
|
|
20
|
0068DS-1
|
Датчик заднего хода
|
1
|
|
21
|
990.12.71.0041-5
|
Датчик нейтрального положения выбора передач
|
1
|
|
22
|
F96037
|
Пружина
|
2
|
|
23
|
F99670
|
Палец фиксаторный
|
2
|
|
24
|
F96140
|
Прокладка
|
2
|
|
25
|
F96141
|
Крышка
|
2
|
|
26
|
Q40408
|
Пружинная шайба
|
4
|
|
27
|
Q151B0812
|
Болт
|
4
|
|
28
|
Q1420822
|
Болт
|
4
|
|
29
|
F99666
|
Крышка
|
1
|
|
30
|
F99672
|
Прокладка
|
1
|
|
31
|
Q72224
|
Заглушка механизма управления
|
1
|
|
32
|
C03004
|
Стопорный винт
|
1
|
|
33
|
C01051
|
Фитинг прямой
|
1
|
|
34
|
F99660
|
Клапан воздушный двойной Н-образный
|
1
|
|
35
|
QH50-4211313
|
Внутренний шестигранный болт с пружинной шайбой
|
2
|
|
36
|
7935-2
|
Сапун
|
2
|
|
37
|
F91353
|
Прокладка Н-образного клапана
|
1
|
|
38
|
15276
|
Пробка сапуна
|
1
|
|
39
|
F96194-M
|
Корпус механизма управления
|
1
|
Регулятор воздушного фильтра КПП 9JS135TA+QH50-G18032

|
№
|
Каталожный номер
|
Наименование
|
Кол-во
|
|
1
|
A-4740-1
|
Регулятор воздушного фильтра
|
1
|
|
2
|
C01052
|
Фитинг
|
1
|
|
3
|
54015
|
Заглушка
|
1
|
|
4
|
Q1420660
|
Болт
|
2
|
|
5
|
Q618B01
|
Пробка с шестигранной головкой
|
2
|
Шестерня ведущая демультипликатора КПП 9JS135TA+QH50-G18032

|
№
|
Каталожный номер
|
Наименование
|
Кол-во
|
|
1
|
12JS160T-1701106
|
Шайба шестерни
|
1
|
|
2
|
12JS160T-1701107
|
Кольцо стопорное
|
1
|
|
3
|
50118
|
Подшипник
|
1
|
|
4
|
16138
|
Фланец фиксаторный подшипника демультипликатора
|
1
|
|
5
|
C09032
|
Болт фланца фиксаторного
|
6
|
|
6
|
JS119T-1707030B
|
Шестерня ведущая демультипликатора
|
1
|
|
7
|
16763
|
Кольцо стопорное
|
1
|
|
8
|
12JS160T-1701124
|
Опора подшипника
|
1
|
|
9
|
C01019
|
Кольцо стопорное
|
1
|
Вал выходной демультипликатора КПП 9JS135TA+QH50-G18032

|
№
|
Каталожный номер
|
Наименование
|
Кол-во
|
|
1
|
F99882
|
Вал выходной демультипликатора
|
1
|
|
2
|
A-C09005
|
Синхронизатор демультипликатора
|
1
|
|
3
|
14332
|
Шайба выходного вала демультипликатора
|
1
|
|
4
|
14331
|
Шайба шестерни выходного вала демультипликатора
|
1
|
|
5
|
19726
|
Шестерня понижающей передачи выходного вала демультипликатора
|
1
|
|
6
|
14327
|
Кольцо стопорное
|
1
|
|
7
|
19466
|
Шайба шестерни понижающей передачи выходного вала
|
1
|
|
8
|
F96006
|
Гайка с фланцем
|
1
|
Валы промежуточные демультипликатора КПП 9JS135TA+QH50-G18032

| № |
Каталожный номер |
Наименование |
Кол-во |
| 1 |
42307E |
Подшипник роликовый |
2 |
| 2 |
A-5119 |
Вал промежуточный демультипликатора (длинный) |
1 |
| 3 |
A-C09019 |
Вал промежуточный демультипликатора (короткий) |
1 |
| 4 |
192310E |
Подшипник роликовый |
2 |
| 5 |
16723 |
Кольцо стопорное |
2 |
| 6 |
C01020 |
Кольцо стопорное |
2 |
Крышка задняя КПП 9JS135TA+QH50-G18031

|
№
|
Каталожный номер
|
Наименование
|
Кол-во
|
|
1
|
Q1421075
|
Болт
|
6
|
|
2
|
14334
|
Штифт
|
2
|
|
3
|
JS180-1701157-2
|
Индуктор датчика спидометра
|
1
|
|
4
|
19109-6
|
Манжета крышки подшипника выходного вала
|
1
|
|
5
|
717813
|
Подшипник выходного вала
|
1
|
|
6
|
17376-3
|
Крышка удлиненного промежуточного вала
|
1
|
|
7
|
A-C09008
|
Болт
|
4
|
|
8
|
14335
|
Прокладка задней крышки
|
1
|
|
9
|
17352
|
Прокладка крышки промежуточного вала демультипликатора
|
1
|
|
10
|
15532
|
Прокладка крышки подшипника демультипликатора
|
1
|
|
11
|
F96119
|
Пыльник фланца
|
1
|
|
12
|
F99900-5
|
Фланец выходной
|
1
|
|
13
|
F99975-10
|
Крышка задняя
|
1
|
|
14
|
F99967-7
|
Крышка подшипника выходного вала демультипликатора
|
1
|
Пневмоцилиндр переключения передач КПП 9JS135TA+QH50-G18032 A-C09016-47

|
№
|
Каталожный номер
|
Наименование
|
Кол-во
|
|
1
|
16775-1
|
Вилка демультипликатора
|
1
|
|
2
|
Q171B1250
|
Болт вилки демультипликатора
|
2
|
|
3
|
14347
|
Прокладка цилиндра переключения передач
|
1
|
|
4
|
16778-4
|
Корпус цилиндра переключения передач
|
1
|
|
5
|
Q1421032
|
Болт
|
4
|
|
6
|
14765-3
|
Кольцо уплотнительное штока пневмоцилиндра
|
1
|
|
7
|
16993-2
|
Шток вилки демультипликатора
|
1
|
|
8
|
14345-3
|
Кольцо уплотнительное штока пневмоцилиндра
|
1
|
|
9
|
GB890-80-M16x1.5
|
Гайка
|
1
|
|
10
|
14341
|
Поршень цилиндра переключения передач
|
1
|
|
11
|
14344-7
|
Кольцо уплотнительное поршня цилиндра переключения передач
|
1
|
|
12
|
14349
|
Прокладка крышки цилиндра
|
1
|
|
13
|
QH70-4211401-17
|
Цилиндр нейтрального положения в сборе
|
1
|
|
14
|
Q14210115
|
Болт пневмоцилиндра
|
4
|
Комплект воздушных трубок КПП 9JS135TA+QH50-G18032 666167

| № |
Каталожный номер |
Наименование |
Кол-во |
| 1 |
66603 |
Трубка воздушная |
1 |
| 2 |
66602 |
Трубка воздушная |
1 |
| 3 |
66601 |
Трубка воздушная |
1 |
Коробка отбора мощности КПП 9JS135TA+QH50-G18032 QH50-BH1-003

|
№
|
Каталожный номер
|
Наименование
|
Кол-во
|
|
1
|
QH50-4211101
|
Корпус коробки отбора мощности
|
1
|
|
2
|
Q40310
|
Кольцо стопорное
|
2
|
|
3
|
QH50-4211315
|
Болт
|
5
|
|
4
|
QH50-4211312
|
Фиксаторный винт
|
1
|
|
5
|
QH50-4211301
|
Вилка
|
1
|
|
6
|
QH50-4211305
|
Вал вилки
|
1
|
|
7
|
QH50-4211302
|
Муфта
|
1
|
|
8
|
QH50-4211105
|
Пустотелый вал
|
1
|
|
9
|
QH50-4211110
|
Комплект опорной пружины
|
1
|
|
10
|
К505517
|
Подшипник игольчатый
|
2
|
|
11
|
32205
|
Подшипник
|
1
|
|
12
|
QH50-4211106
|
Входная шестерня
|
1
|
|
13
|
QH50-4211104
|
Опора входной шестерни
|
1
|
|
14
|
QH50-4211502
|
Винт
|
1
|
|
15
|
Q5210824
|
Штифт
|
2
|
|
16
|
Q80106
|
Фитинг
|
1
|
|
17
|
Q80006
|
Втулка
|
1
|
|
18
|
Q80406
|
Штуцер
|
1
|
|
19
|
QH50-4211300
|
Уплотнительное кольцо
|
1
|
|
20
|
QH50-4211309
|
Шайба
|
1
|
|
21
|
QH70J-4211300-1
|
Уплотнительное кольцо
|
1
|
|
22
|
QH50-4211310
|
Поршень
|
1
|
|
23
|
QH50-4211207
|
Прокладка
|
1
|
|
24
|
QH50-4211313
|
Винт
|
1
|
|
25
|
QH50-4211311
|
Возвратная пружина
|
1
|
|
26
|
QH50-4211306
|
Пневмоцилиндр КОМ
|
1
|
|
28
|
Q1420860
|
Болт
|
2
|
|
29
|
Q901
|
Сапун
|
1
|
|
30
|
0068DS
|
Датчик
|
1
|
|
31
|
Q614B03
|
Пробка
|
1
|
|
32
|
QH50-4211119-1
|
Табличка
|
1
|
|
33
|
Q5410206
|
Винт таблички
|
4
|
|
34
|
HG4-692-76-40X65X12
|
Сальник КОМ
|
1
|
|
35
|
Q129B1235
|
Шпилька
|
2
|
|
36
|
Q341C12
|
Гайка
|
4
|
|
37
|
Q129B1290
|
Шилька
|
2
|
|
38
|
Q40312
|
Стопорная шайба
|
4
|
|
39
|
QH50-4211206-1
|
Крышка подшипника КОМ
|
1
|
|
40
|
QH50-4211203
|
Шайба
|
1
|
|
41
|
30208
|
Подшипник
|
1
|
|
42
|
QH50-4211102
|
Крышка КОМ
|
1
|
|
43
|
QH50-4211201-2
|
Вал выходной
|
1
|
|
44
|
QH50-4211314
|
Болт
|
4
|
|
45
|
QH50-4211307
|
Прокладка
|
1
|