|
Тип коробки передач
|
Механическая 12-ступенчатая с двумя промежуточными валами
|
|
Максимальный входной крутящий момент, Н.м
|
2000
|
|
Передаточные числа
|
1пер.-12,10; 2пер.-9,41; 3пер.-7,31; 4пер.-5,71; 5пер.-4,46; 6пер.-3,48; 7пер.-2,71; 8пер.-2,11; 9пер.-1,64; 10пер.-1,28; 11пер.-1,00; 12 пер.-0,78
|
|
Вес, кг
|
345
|
|
Применяемость
|
Автомобили МАЗ
|

Каталог коробки передач 12JS200TA+QH70-G12980 Картер сцепления и коробки передач 12JS200TA+QH70-G12980

|
№
|
Каталожный номер
|
Наименование
|
Кол-во
|
|
1
|
C09034
|
Болт
|
2
|
|
2
|
Q1421032M
|
Болт крышки первичного вала
|
4
|
|
3
|
Q1421290M
|
Болт
|
2
|
|
4
|
JS180-1701040-6
|
Крышка подшипника первичного вала
|
1
|
|
5
|
Q1421238M
|
Болт картера муфты сцепления
|
2
|
|
6
|
GB889.2-2000-M16X1.5
|
Гайка
|
6
|
|
7
|
Q40116
|
Плоская шайба
|
6
|
|
8
|
Q701B45
|
Масленка
|
1
|
|
9
|
C01056
|
Шпилька
|
6
|
|
10
|
14311
|
Прокладка крышки подшипника первичного вала
|
1
|
|
11
|
JS180-1601023-4
|
Вал вилки сцепления
|
1
|
|
12
|
GB889.2-2000-M16X1.5
|
Гайка
|
1
|
|
13
|
GE25ES
|
Подшипник вилки сцепления
|
1
|
|
14
|
JS180-1601030-3
|
Втулка
|
2
|
|
15
|
Q151B18100
|
Болт вилки сцепления
|
1
|
|
16
|
Q40318
|
Пружинная шайба
|
1
|
|
17
|
Q151B1450TF2
|
Болт вилки сцепления
|
1
|
|
18
|
Q40314
|
Пружинная шайба
|
1
|
|
19
|
JS180-1601024-10
|
Опора вилки сцепления
|
1
|
|
20
|
JS180-1601022-1
|
Шайба
|
1
|
|
21
|
JS180-1601021-14
|
Вилка сцепления
|
1
|
|
22
|
JS180-1601016-2
|
Крышка ручного люка
|
1
|
|
23
|
15410-29
|
Картер муфты сцепления
|
1
|
|
24
|
20822
|
Прокладка корпуса муфты
|
1
|
|
25
|
12JS160T-1701015-9
|
Картер КПП
|
1
|
|
26
|
6JS160T-1709587-1
|
Заглушка
|
2
|
|
27
|
6JS160T-1709588-1
|
Кольцо уплотнительное
|
2
|
|
28
|
54015
|
Заглушка
|
2
|
|
29
|
Q40316
|
Пружинная шайба
|
2
|
|
30
|
Q1231630
|
Шпилька
|
2
|
|
31
|
Q341B16
|
Гайка
|
2
|
|
32
|
14373
|
Магнит
|
3
|
Вал вторичный КПП 12JS200TA+QH70-G12980

|
№
|
Каталожный номер
|
Наименование
|
Кол-во
|
|
1
|
12JS200T-1701116-1
|
Шестерня первичного вала
|
1
|
|
2
|
16763
|
Кольцо стопорное
|
6
|
|
3
|
JS130T-1701180
|
Синхронизатор
|
2
|
|
4
|
12JS200T-1701115-1
|
Шестерня 5-й передачи вторичного вала
|
1
|
|
5
|
12JS160T-1701122
|
Прокладка шестерен вторичного вала
|
5
|
|
6
|
12JS160T-1701123
|
Прокладка шестерен вторичного вала
|
3
|
|
7
|
12JS200T-1701114
|
Шестерня 4-й передачи вторичного вала
|
1
|
|
8
|
12JS200T-1701113
|
Шестерня 3=й передачи вторичного вала
|
1
|
|
9
|
12JS200T-1701112
|
Шестерня 2-й передачи вторичного вала
|
1
|
|
10
|
12JS160T-1701170
|
Синхронизатор
|
1
|
|
11
|
12JS200T-1701111
|
Шестерня 1-й передачи вторичного вала
|
1
|
|
12
|
12JS160T-1701108
|
Втулка вторичного вала
|
1
|
|
13
|
16JS200T-1701110
|
Шестерня задней передачи вторичного вала
|
1
|
|
14
|
12JS160T-1701125
|
Прокладка шестерни задней передачи вторичного вала
|
1
|
|
16
|
12JS160T-1701121
|
Шпонка вторичного вала
|
1
|
|
17
|
12JS200T-1701105
|
Вал вторичный
|
1
|
Вал промежуточный КПП 12JS200TA+QH70-G12980

|
№
|
Каталожный номер
|
Наименование
|
Кол-во
|
|
1
|
19198
|
Кольцо стопорное
|
2
|
|
2
|
12JS200T-1701052
|
Шестерня 5-й передачи промежуточного вала
|
2
|
|
3
|
12JS160T-1701057
|
Втулка распорная
|
2
|
|
4
|
12JS200T-1701056
|
Шестерня ведущая промежуточного вала
|
2
|
|
5
|
12JS200T-1701051
|
Шестерня 4-й передачи промежуточного вала
|
2
|
|
6
|
12JS200T-1701050
|
Шестерня 3-й передачи промежуточного вала
|
3
|
|
7
|
X-6-E
|
Шпонка полукруглая
|
2
|
|
8
|
Q5280514
|
Палец цилиндрический упругий
|
2
|
|
9
|
16JS200T-1701055
|
Шпонка квадратная промежуточного вала
|
2
|
|
10
|
12JS200T-1701048
|
Вал промежуточный
|
2
|
|
11
|
192309E
|
Подшипник роликовый с проточкой
|
2
|
|
12
|
102309E
|
Подшипник роликовый без проточки
|
2
|
Отбойник промежуточного вала КПП 12JS200TA+QH70-G12980

|
№
|
Каталожный номер
|
Наименование
|
Кол-во
|
|
1
|
19668
|
Отбойник промежуточного вала
|
2
|
|
2
|
Q5280514
|
Палец цилиндрический упругий
|
2
|
Вал первичный КПП 12JS200TA+QH70-G12980

|
№
|
Каталожный номер
|
Наименование
|
Кол-во
|
|
1
|
16980
|
Кольцо стопорное
|
1
|
|
2
|
C01020
|
Кольцо стопорное
|
1
|
|
3
|
150212K
|
Подшипник первичного вала
|
1
|
|
4
|
16463
|
Втулка шестерни первичного вала
|
1
|
|
5
|
14750
|
Кольцо стопорное
|
1
|
|
6
|
JS180A-1701030-S
|
Вал первичный
|
1
|
|
7
|
16566
|
Втулка направляющая первичного вала
|
1
|
Вал промежуточный заднего хода КПП 12JS200TA+QH70-G12980

|
№
|
Каталожный номер
|
Наименование
|
Кол-во
|
|
1
|
GB889.2-2000-M20X1.5
|
Гайка
|
2
|
|
2
|
JS220-1701088
|
Шайба стопорная промежуточного вала задней передачи
|
2
|
|
3
|
JS220-1701087
|
Шайба упорная подшипника
|
2
|
|
4
|
12JS200T-1701083
|
Шестерня промежуточная задней передачи
|
2
|
|
5
|
DS100-1701085
|
Подшипник роликовый
|
2
|
|
6
|
12JS160T-1701084
|
Шайба чашевидная вала задней передачи
|
2
|
|
7
|
JS220-1701082
|
Вал промежуточный заднего хода
|
2
|
|
8
|
Q2821212
|
Пробка
|
2
|
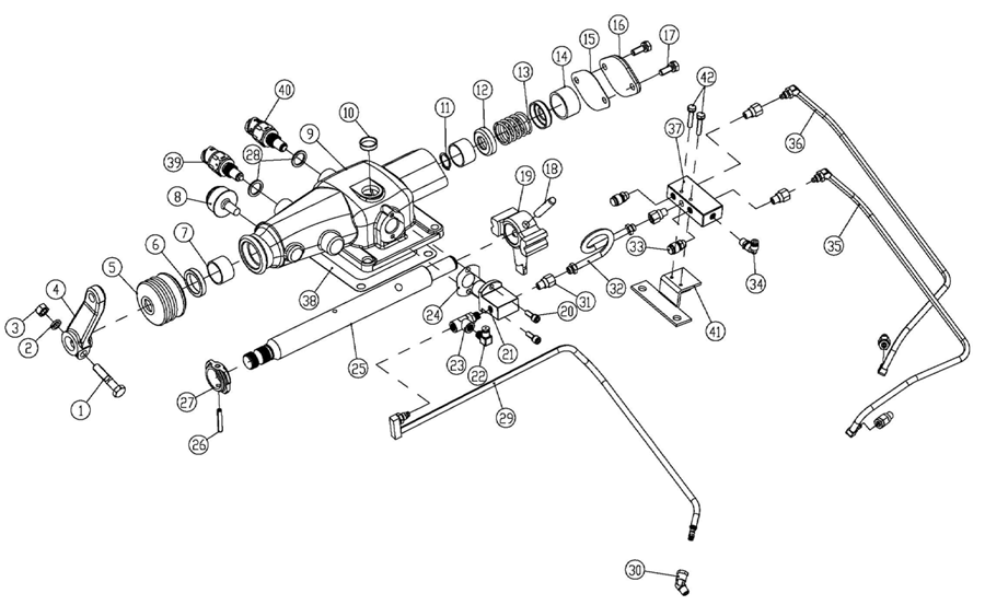
Механизм переключения передач КПП 12JS200TA+QH70-G12980

|
№
|
Каталожный номер
|
Наименование
|
Кол-во
|
|
1
|
3220
|
Болт стопорный вилки переключения передач
|
3
|
|
2
|
12JS160T-1702051
|
Головка направляющая задней передачи
|
1
|
|
3
|
DS100-1702061
|
Палец блокировки задней передачи
|
1
|
|
4
|
8774-1
|
Пружина замка заднего хода
|
1
|
|
5
|
8968
|
Винт блокировки заднего хода
|
1
|
|
6
|
12JS160T-1702063
|
Шток вилки переключения задней передачи
|
1
|
|
7
|
12JS160T-1702055
|
Вилка переключения задней передачи
|
1
|
|
8
|
Q5280628
|
Штифт
|
2
|
|
9
|
12JS160T-1702056
|
Вилка переключения 1-й и 2-й передач
|
1
|
|
10
|
12JS160T-1702064-1
|
Шток вилок переключения 1-й-2-й и 3-й-3-й передач
|
2
|
|
11
|
12JS160T-1702058-2
|
Вилка переключения 5-й - 6-й передач
|
1
|
|
12
|
12JS160T-1702057
|
Вилка переключения 3-й и 4-й передач
|
1
|
|
13
|
12JS160T-1702059-1
|
Головка переключения 5-й и 6-й передач
|
1
|
|
14
|
3220-1
|
Винт стопорный вилки переключения передач
|
1
|
|
15
|
12JS160T-1702066
|
Шток вилки переключения 5-й и 6-й передач
|
1
|
|
16
|
12JS160T-1702054
|
Головка переключения 5-й и 6-й передач
|
1
|
|
17
|
19.05G100BGB-T308
|
Шарик стальной
|
3
|
|
18
|
1634
|
Штифт блокировки вала вилки
|
2
|
|
19
|
JS100A-1702073
|
Палец опорный вала
|
1
|
|
20
|
JS100A-1702072
|
Вилка
|
1
|
|
21
|
12JS160T-1702015
|
Крышка верхняя
|
1
|
|
22
|
Q40112
|
Шайба
|
1
|
|
23
|
GB889-80-M12×1.25
|
Гайка
|
1
|
|
24
|
12.7G100BGB-T308
|
Шарик стальной
|
4
|
|
25
|
F96084
|
Пружина фиксаторов штока
|
1
|
|
26
|
F96085
|
Пружина фиксаторов штока
|
3
|
|
27
|
11066
|
Шпилька
|
4
|
|
28
|
X-1-603
|
Гайка
|
2
|
|
29
|
Q351B10
|
Гайка
|
2
|
|
30
|
C01058-1
|
Гайка стопорная
|
2
|
|
32
|
12JS160T-1702016
|
Прокладка верхней крышки
|
1
|
|
33
|
6JS160T-1709587-1
|
Заглушка
|
1
|
|
34
|
6JS160T-1709588-1
|
Кольцо уплотнительное пробки
|
1
|
Механизм управления переключением передач КПП 12JS200TA+QH70-G12980 12JS160T-1703010

|
№
|
Каталожный номер
|
Наименование
|
Кол-во
|
|
1
|
Q151B1050
|
Болт
|
1
|
|
2
|
Q40310
|
Шайба пружинная
|
1
|
|
3
|
Q341B10
|
Гайка
|
1
|
|
4
|
F96035-64
|
Рычаг валика переключения передач
|
1
|
|
5
|
F99669
|
Втулка (пыльник)
|
1
|
|
6
|
F91444
|
Манжета валика переключения передач
|
1
|
|
7
|
F91345
|
Втулка механизма управления переключением передач
|
2
|
|
8
|
15276
|
Пробка сапуна
|
1
|
|
9
|
12JS160T-1703015
|
Корпус механизма управления переключением передач
|
1
|
|
10
|
Q72224
|
Заглушка механизма управления переключением передач
|
1
|
|
11
|
Q43120
|
Кольцо стопорное
|
1
|
|
12
|
F99673-1
|
Гнездо пружины
|
2
|
|
13
|
12JS160T-1703027
|
Пружина
|
1
|
|
14
|
12JS160T-1703024
|
Втулка
|
1
|
|
15
|
F99672-2
|
Прокладка
|
1
|
|
16
|
F99666-2
|
Крышка
|
1
|
|
17
|
Q1420822
|
Болт
|
2
|
|
18
|
C03030
|
Палец цилиндрический
|
1
|
|
19
|
12JS160T-1703018
|
Держатель
|
1
|
|
20
|
QH50-4211313
|
Болт
|
2
|
|
21
|
12JS160T-1703022
|
Клапан контрольный
|
1
|
|
22
|
12JS160T-1703021
|
Соединитель быстрого переключения
|
1
|
|
23
|
C01053
|
Тройник
|
1
|
|
24
|
F91353
|
Прокладка Н-образного клапана
|
1
|
|
25
|
12JS160T-1703017
|
Валик механизма управления переключением передач
|
1
|
|
26
|
C09035
|
Штифт блока управления переключением задней передачи
|
1
|
|
27
|
F99681
|
Блок управления переключением заднего хода
|
1
|
|
28
|
Q72318
|
Кольцо уплотнительное датчика
|
2
|
|
29
|
666163
|
Трубка воздушная
|
1
|
|
30
|
C01052
|
Фитинг
|
1
|
|
31
|
C01051
|
Фитинг прямой
|
6
|
|
32
|
666164
|
Трубка воздушная
|
1
|
|
33
|
7935
|
Сапун
|
2
|
|
34
|
12JS160T-1703021
|
Соединитель быстрого переключения
|
1
|
|
35
|
666166
|
Трубка воздушная
|
1
|
|
36
|
666165
|
Трубка воздушная
|
1
|
|
37
|
12JS160T-1703052
|
Клапан одинарный Н-образный
|
1
|
|
38
|
1642
|
Прокладка механизма управления переключением передач
|
1
|
|
39
|
990.12.71.0041-5
|
Датчик нейтрального положения выбора передач
|
1
|
|
40
|
0068DS-1
|
Датчик включения заднего хода
|
1
|
|
41
|
12JS160T-1702095
|
Опора одинарного Н-образного клапана
|
1
|
|
42
|
Q1420430
|
Болт крепления Н-образного клапана
|
2
|
Регулятор воздушного фильтра КПП 12JS200TA+QH70-G12980

|
№
|
Каталожный номер
|
Наименование
|
Кол-во
|
|
1
|
A-C03002-20
|
Регулятор воздушного фильтра
|
1
|
|
2
|
C01052
|
Фитинг
|
1
|
|
3
|
54015
|
Заглушка
|
1
|
|
4
|
Q1420660
|
Болт
|
2
|
|
5
|
Q618B01
|
Пробка с шестигранной головкой
|
2
|
Шестерня ведущая демультипликатора КПП 12JS200TA+QH70-G12980

|
№
|
Каталожный номер
|
Наименование
|
Кол-во
|
|
1
|
12JS160T-1701106
|
Шайба шестерни
|
1
|
|
2
|
12JS160T-1701107
|
Кольцо стопорное
|
2
|
|
3
|
50118
|
Подшипник
|
1
|
|
4
|
JS220-1707031
|
Фланец фиксаторный подшипника демультипликатора
|
1
|
|
5
|
C09032
|
Болт фланца фиксаторного
|
6
|
|
6
|
12JS200T-1707030
|
Шестерня ведущая демультипликатора
|
1
|
|
7
|
16763
|
Кольцо стопорное
|
1
|
|
8
|
12JS160T-1701124
|
Опора подшипника
|
1
|
|
9
|
C01019
|
Кольцо стопорное
|
1
|
Вал выходной демультипликатора КПП 12JS200TA+QH70-G12980

|
№
|
Каталожный номер
|
Наименование
|
Кол-во
|
|
1
|
12JS200T-1707105
|
Вал выходной демультипликатора
|
1
|
|
2
|
12JS160T-1707140
|
Синхронизатор демультипликатора
|
1
|
|
3
|
12JS200T-1707107
|
Прокладка выходного вала демультипликатора
|
1
|
|
4
|
12JS160T-1707108
|
Шайба шестерни выходного вала демультипликатора
|
1
|
|
5
|
12JS200T-1707106
|
Шестерня выходного вала демультипликатора
|
1
|
|
6
|
F96006
|
Гайка с фланцем
|
1
|
Валы промежуточные демультипликатора КПП 12JS200TA+QH70-G12980

|
№
|
Каталожный номер
|
Наименование
|
Кол-во
|
|
1
|
42308E
|
Подшипник промежуточного вала демультипликатора
|
2
|
|
2
|
12JS200T-1707047
|
Вал промежуточный демультипликатора (длинный)
|
1
|
|
3
|
12JS200T-1707050
|
Вал промежуточный демультипликатора (короткий)
|
1
|
|
4
|
192311E
|
Подшипник промежуточного вала демультипликатора
|
2
|
|
5
|
JS180-1707051
|
Кольцо стопорное
|
2
|
|
6
|
Q433120
|
Кольцо стопорное
|
2
|
Крышка задняя КПП 12JS200TA+QH70-G12980

|
№
|
Каталожный номер
|
Наименование
|
Кол-во
|
|
1
|
14335
|
Прокладка задней крышки
|
1
|
|
2
|
JS220-1707015
|
Крышка задняя
|
1
|
|
3
|
JS180-1707156
|
Прокладка крышки подшипника демультипликатора
|
1
|
|
4
|
JS220-1707109
|
Подшипник роликовый
|
1
|
|
5
|
14334
|
Штифт
|
2
|
|
6
|
JS180-1707053
|
Прокладка крышки промежуточного вала демультипликатора
|
2
|
|
7
|
JS180-1707052
|
Крышка промежуточного вала демультипликатора
|
1
|
|
8
|
12JS160T-1707112
|
Кольцо уплотнительное
|
2
|
|
9
|
JS220-1707111
|
Втулка ведущей шестерни спидометра
|
1
|
|
10
|
A-C09008
|
Болт
|
4
|
|
11
|
JS180-1701157-2
|
Индуктор датчика спидометра
|
1
|
|
12
|
JS180-1707155-3
|
Крышка подшипника выходного вала демультипликатора
|
1
|
|
13
|
19109-6
|
Манжета крышки подшипника выходного вала
|
1
|
|
14
|
Q1421075
|
Болт крышки подшипника
|
6
|
|
15
|
F96119
|
Пыльник фланца
|
1
|
|
16
|
JS220-1707159-1
|
Фланец выходной
|
1
|
|
17
|
Q72318
|
Кольцо уплотнительное датчика
|
1
|
|
18
|
Q617B18
|
Пробка с шестигранной головкой
|
1
|
Цилиндр переключения передач КПП 12JS200TA+QH70-G12980 JS220-1707060-47

|
№
|
Каталожный номер
|
Наименование
|
Кол-во
|
|
01
|
JS220-1707060-47
|
Пневмоцилиндр переключения передач (под КОМ, двойной клапан)
|
1
|
|
1
|
16775-1
|
Вилка демультипликатора
|
1
|
|
2
|
Q171B1250
|
Болт вилки демультипликатора
|
2
|
|
3
|
14347
|
Прокладка
|
1
|
|
4
|
JS220-1707062-1
|
Корпус цилиндра
|
1
|
|
5
|
Q1421032M
|
Болт
|
4
|
|
6
|
14765-3
|
Кольцо уплотнительное
|
1
|
|
7
|
JS220-1707061-1
|
Шток цилиндра переключения передач
|
1
|
|
8
|
14345-3
|
Кольцо уплотнительное
|
1
|
|
9
|
GB890-80-M16x1.5
|
Гайка
|
1
|
|
10
|
14341
|
Поршень цилиндра переключения передач
|
1
|
|
11
|
14344-7
|
Кольцо уплотнительное
|
1
|
|
12
|
14349
|
Прокладка крышки цилиндра
|
1
|
|
13
|
QH70-4211401-17
|
Цилиндр нейтрального положения двухпоршневой
|
1
|
Коробка отбора мощности КПП 12JS200TA+QH70-G12980 QH70-BH1-001

|
№
|
Каталожный номер
|
Наименование
|
Кол-во
|
|
1
|
QH70-4211112-1
|
Прокладка
|
1
|
|
2
|
QH70-4211111-2
|
Боковая пластина
|
1
|
|
3
|
13X35-GB119.2
|
Штифт
|
2
|
|
4
|
Q40310
|
Пружинная шайба
|
8
|
|
5
|
Q218B1035TF3S
|
Винт
|
4
|
|
6
|
FQLD0410G105TF3S
|
Винт с шестигранной головкой
|
4
|
|
7
|
JK942K
|
Датчик включения КОМ
|
1
|
|
8
|
QH70-4211110-2
|
Прокладка
|
1
|
|
9
|
QH70-4211302
|
Муфта КОМ
|
1
|
|
10
|
J80-1702083
|
Стопорный винт
|
1
|
|
11
|
QH70-4211301
|
Вилка
|
1
|
|
12
|
QH70-4211305-1
|
Шток вилки КОМ
|
1
|
|
13
|
32208
|
Подшипник КОМ
|
2
|
|
14
|
QH70-4211201-2
|
Вал выходной КОМ
|
1
|
|
15
|
Q151B1035
|
Болт
|
1
|
|
16
|
QH70-4211101-2
|
Картер КОМ
|
1
|
|
17
|
QH70-4211102
|
Пустотелый вал
|
1
|
|
18
|
QH70-4211103
|
Проставка подшипника
|
1
|
|
19
|
K637120GB5846-86
|
Подшипник
|
2
|
|
20
|
J80-1701133
|
Проставка подшипника
|
1
|
|
21
|
QH70-4211105
|
Шестерня
|
1
|
|
22
|
QH70-4211106
|
Фиксатор подшипника
|
1
|
|
23
|
42111
|
Конический роликовый подшипник
|
1
|
|
24
|
Q5280310
|
Палец цилиндрический упругий
|
1
|
|
25
|
QH70-4211104
|
Крышка
|
1
|
|
26
|
QH70-4211108
|
Прокладка
|
1
|
|
27
|
QH70-4211107
|
Торцевая пластина
|
1
|
|
28
|
Q1421030
|
Болт
|
4
|
|
29
|
FQZH0610G30
|
Болт
|
9
|
|
30
|
QH70-4211203-2
|
Регулировочная прокладка
|
1
|
|
31
|
QH70-4211208
|
Прокладка
|
1
|
|
32
|
QH70-4211204-20
|
Втулка КОМ
|
1
|
|
33
|
PG40X65X12HG4-692-67
|
Сальник
|
1
|
|
34
|
QH70-4211206-21
|
Крышка подшипника КОМ
|
1
|
|
35
|
Q1421045
|
Болт
|
4
|
|
36
|
GB1096-79-C10X40
|
Шпонка
|
1
|
|
37
|
QH70-4211307
|
Прокладка
|
1
|
|
38
|
QC45-4211306
|
Цилиндр
|
1
|
|
39
|
QCZ50-4211310
|
Распорная втулка
|
1
|
|
40
|
QL40B-4211311B
|
Возвратная пружина
|
1
|
|
41
|
QC45-4211300-1
|
Кольцо уплотнительное
|
1
|
|
42
|
QC45-4211311
|
Поршень
|
1
|
|
43
|
QH50-4211300
|
Кольцо уплотнительное
|
1
|
|
44
|
Q32812
|
Гайка
|
1
|
|
45
|
QH70-4211303
|
Прокладка крышки цилиндра
|
1
|
|
46
|
QH70-4211304-4
|
Крышка цилиндра
|
1
|