12JS200TA+QH50-G2194 Коробка передач МАЗ 12JS200TA+QH50-G2194
Купить Коробка передач МАЗ 12JS200TA+QH50-G2194 вы можете оформив покупку через корзину, отправив готовую заявку через форму на сайте или связавшись с нашими менеджерами .
Предлагаем другие запчасти из раздела Прочие запчасти Dalian из наличия на нашем складе и под заказ.
На все запасные части действует гарантия производителя. Возможна доставка транспортной компанией или самовывозом с нашего склада.
|
Тип коробки передач |
Механическая 12-ступенчатая с двумя промежуточными валами |
|
Максимальный входной крутящий момент, Н.м |
2000 |
|
Передаточные числа |
1пер.-12,10; 2пер.-9,41; 3пер.-7,31; 4пер.-5,71; 5пер.-4,46; 6пер.-3,48; 7пер.-2,71; 8пер.-2,11; 9пер.-1,64; 10пер.-1,28; 11пер.-1,00; 12 пер.-0,78 |
|
Вес, кг |
345 |
|
Применяемость |
Автомобили МАЗ |

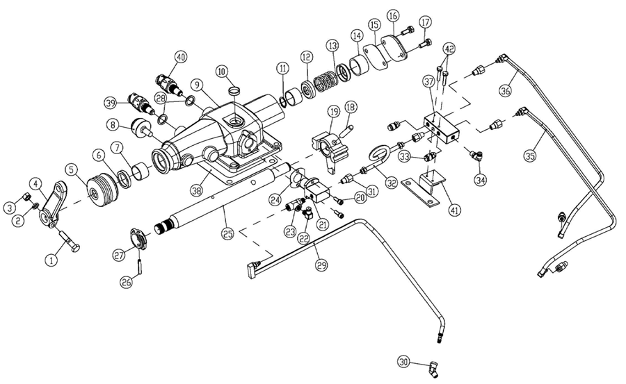
Каталог коробки передач 12JS200TA+QH50-G2194
Картер сцепления и коробки передач 12JS200TA+QH50-G2194

|
№ |
Каталожный номер |
Наименование |
Кол-во |
|
1 |
C09034 |
Болт |
2 |
|
2 |
Q1421032M |
Болт |
4 |
|
3 |
JS180A-1701040-3 |
Крышка подшипника первичного вала |
1 |
|
4 |
14311 |
Прокладка крышки подшипника первичного вала |
1 |
|
5 |
Q1421290M |
Болт |
2 |
|
6 |
Q1421238M |
Болт |
2 |
|
7 |
GB889.2-2000-M16X1.5 |
Гайка |
6 |
|
8 |
Q40116 |
Плоская шайба |
6 |
|
9 |
C01056 |
Шпилька картера КПП |
6 |
|
10 |
Q151B18100 |
Болт вилки сцепления |
1 |
|
11 |
Q40318 |
Пружинная шайба |
1 |
|
12 |
Q151B1450TF2 |
Болт вилки сцепления |
1 |
|
13 |
Q40314 |
Пружинная шайба |
1 |
|
14 |
JS180-1601021-14 |
Вилка сцепления |
1 |
|
15 |
GB889.2-2000-M16X1.5 |
Гайка |
1 |
|
16 |
JS180-1601022-1 |
Шайба |
1 |
|
17 |
JS180-1601030-3 |
Втулка |
2 |
|
18 |
GE25ES |
Подшипник вилки сцепления |
1 |
|
19 |
JS180-1601023-4 |
Вал вилки сцепления |
1 |
|
20 |
Q701B45 |
Масленка |
1 |
|
21 |
JS180-1601024-11 |
Опора вилки сцепления |
1 |
|
22 |
JS180-1601016-2 |
Крышка ручного люка |
1 |
|
23 |
JS180-1601015-6 |
Картер муфты сцепления |
1 |
|
24 |
20822 |
Прокладка корпуса муфты |
1 |
|
25 |
12JS160T-1701015-9 |
Картер КПП |
1 |
|
26 |
6JS160T-1709588-1 |
Кольцо уплотнительное пробки |
2 |
|
27 |
6JS160T-1709587-1 |
Заглушка |
2 |
|
28 |
Q1231630 |
Шпилька |
2 |
|
29 |
Q40316 |
Пружинная шайба |
2 |
|
30 |
Q341B16 |
Гайка |
2 |
|
31 |
14373 |
Магнит |
3 |
|
32 |
JS180-1601016-1 |
Крышка ручного люка |
1 |
|
33 |
Q1421020 |
Болт |
4 |
|
34 |
F500A-1802191 |
Манжета вала первичного |
1 |
Вал вторичный КПП 12JS200TA+QH50-G2194

|
№ |
Каталожный номер |
Наименование |
Кол-во |
|
1 |
12JS200T-1701116-1 |
Шестерня первичного вала |
1 |
|
2 |
16763 |
Кольцо стопорное |
6 |
|
3 |
JS130T-1701180 |
Синхронизатор |
2 |
|
4 |
12JS200T-1701115-1 |
Шестерня 5-й передачи вторичного вала |
1 |
|
5 |
12JS160T-1701122 |
Прокладка шестерен вторичного вала |
5 |
|
6 |
12JS160T-1701123 |
Прокладка шестерен вторичного вала |
3 |
|
7 |
12JS200T-1701114 |
Шестерня 4-й передачи вторичного вала |
1 |
|
8 |
12JS200T-1701113 |
Шестерня 3=й передачи вторичного вала |
1 |
|
9 |
12JS200T-1701112 |
Шестерня 2-й передачи вторичного вала |
1 |
|
10 |
12JS160T-1701170 |
Синхронизатор |
1 |
|
11 |
12JS200T-1701111 |
Шестерня 1-й передачи вторичного вала |
1 |
|
12 |
12JS160T-1701108 |
Втулка вторичного вала |
1 |
|
13 |
16JS200T-1701110 |
Шестерня задней передачи вторичного вала |
1 |
|
14 |
12JS160T-1701125 |
Прокладка шестерни задней передачи вторичного вала |
1 |
|
16 |
12JS160T-1701121 |
Шпонка вторичного вала |
1 |
|
17 |
12JS200T-1701105 |
Вал вторичный |
1 |
Вал промежуточный КПП 12JS200TA+QH50-G2194

| № | Каталожный номер | Наименование | Кол-во |
| 1 | 19198 | Кольцо стопорное | 2 |
| 2 | 12JS200T-1701052 | Шестерня 5-й передачи промежуточного вала | 2 |
| 3 | 12JS160T-1701057 | Втулка распорная | 2 |
| 4 | 12JS200T-1701056 | Шестерня ведущая промежуточного вала | 2 |
| 5 | 12JS200T-1701051 | Шестерня 4-й передачи промежуточного вала | 2 |
| 6 | 12JS200T-1701050 | Шестерня 3-й передачи промежуточного вала | 3 |
| 7 | X-6-E | Шпонка полукруглая | 2 |
| 8 | Q5280514 | Палец цилиндрический упругий | 2 |
| 9 | 16JS200T-1701055 | Шпонка квадратная промежуточного вала | 2 |
| 10 | 12JS200T-1701048 | Вал промежуточный | 2 |
| 11 | 192309E | Подшипник роликовый с проточкой | 2 |
| 12 | 102309E | Подшипник роликовый без проточки | 2 |
Отбойник промежуточного вала КПП 12JS200TA+QH50-G2194

|
№ |
Каталожный номер |
Наименование |
Кол-во |
|
1 |
19668 |
Отбойник промежуточного вала |
2 |
|
2 |
Q5280514 |
Палец цилиндрический упругий |
2 |
Вал первичный КПП 12JS200TA+QH50-G2194

|
№ |
Каталожный номер |
Наименование |
Кол-во |
|
1 |
16980 |
Кольцо стопорное |
1 |
|
2 |
C01020 |
Кольцо стопорное |
1 |
|
3 |
150212K |
Подшипник первичного вала |
1 |
|
4 |
16463 |
Втулка шестерни первичного вала |
1 |
|
5 |
14750 |
Кольцо стопорное |
1 |
|
6 |
JS180A-1701030-3 |
Вал первичный |
1 |
|
7 |
16566 |
Втулка направляющая первичного вала |
1 |
Вал промежуточный заднего хода КПП 12JS200TA+QH50-G2194

|
№ |
Каталожный номер |
Наименование |
Кол-во |
|
1 |
GB889.2-2000-M20X1.5 |
Гайка |
2 |
|
2 |
JS220-1701088 |
Шайба стопорная промежуточного вала задней передачи |
2 |
|
3 |
JS220-1701087 |
Шайба упорная подшипника |
2 |
|
4 |
12JS200T-1701083 |
Шестерня промежуточная задней передачи |
2 |
|
5 |
DS100-1701085 |
Подшипник роликовый |
2 |
|
6 |
12JS160T-1701084 |
Шайба чашевидная вала задней передачи |
2 |
|
7 |
JS220-1701082 |
Вал промежуточный заднего хода |
2 |
|
8 |
Q2821212 |
Пробка |
2 |
Механизм переключения передач КПП 12JS200TA+QH50-G2194

|
№ |
Каталожный номер |
Наименование |
Кол-во |
|
1 |
3220 |
Болт стопорный вилки переключения передач |
3 |
|
2 |
12JS160T-1702051 |
Головка направляющая задней передачи |
1 |
|
3 |
DS100-1702061 |
Палец блокировки задней передачи |
1 |
|
4 |
8774-1 |
Пружина замка заднего хода |
1 |
|
5 |
8968 |
Винт блокировки заднего хода |
1 |
|
6 |
12JS160T-1702063 |
Шток вилки переключения задней передачи |
1 |
|
7 |
12JS160T-1702055 |
Вилка переключения задней передачи |
1 |
|
8 |
Q5280628 |
Штифт |
2 |
|
9 |
12JS160T-1702056 |
Вилка переключения 1-й и 2-й передач |
1 |
|
10 |
12JS160T-1702064-1 |
Шток вилок переключения 1-й-2-й и 3-й-3-й передач |
2 |
|
11 |
12JS160T-1702058-2 |
Вилка переключения 5-й - 6-й передач |
1 |
|
12 |
12JS160T-1702057 |
Вилка переключения 3-й и 4-й передач |
1 |
|
13 |
12JS160T-1702059-1 |
Головка переключения 5-й и 6-й передач |
1 |
|
14 |
3220-1 |
Винт стопорный вилки переключения передач |
1 |
|
15 |
12JS160T-1702066 |
Шток вилки переключения 5-й и 6-й передач |
1 |
|
16 |
12JS160T-1702054 |
Головка переключения 5-й и 6-й передач |
1 |
|
17 |
19.05G100BGB-T308 |
Шарик стальной |
3 |
|
18 |
1634 |
Штифт блокировки вала вилки |
2 |
|
19 |
JS100A-1702073 |
Палец опорный вала |
1 |
|
20 |
JS100A-1702072 |
Вилка |
1 |
|
21 |
12JS160T-1702015 |
Крышка верхняя |
1 |
|
22 |
Q40112 |
Шайба |
1 |
|
23 |
GB889-80-M12×1.25 |
Гайка |
1 |
|
24 |
12.7G100BGB-T308 |
Шарик стальной |
4 |
|
25 |
F96084 |
Пружина фиксаторов штока |
1 |
|
26 |
F96085 |
Пружина фиксаторов штока |
3 |
|
27 |
11066 |
Шпилька |
4 |
|
28 |
X-1-603 |
Гайка |
2 |
|
29 |
Q351B10 |
Гайка |
2 |
|
30 |
C01058-1 |
Гайка стопорная |
2 |
|
32 |
12JS160T-1702016 |
Прокладка верхней крышки |
1 |
|
33 |
6JS160T-1709587-1 |
Заглушка |
1 |
|
34 |
6JS160T-1709588-1 |
Кольцо уплотнительное пробки |
1 |
Механизм управления переключением передач КПП 12JS200TA+QH50-G2194 12JS160T-1703010

|
№ |
Каталожный номер |
Наименование |
Кол-во |
|
1 |
3220 |
Болт стопорный вилки переключения передач |
3 |
|
2 |
12JS160T-1702051 |
Головка направляющая задней передачи |
1 |
|
3 |
DS100-1702061 |
Палец блокировки задней передачи |
1 |
|
4 |
8774-1 |
Пружина замка заднего хода |
1 |
|
5 |
8968 |
Винт блокировки заднего хода |
1 |
|
6 |
12JS160T-1702063 |
Шток вилки переключения задней передачи |
1 |
|
7 |
12JS160T-1702055 |
Вилка переключения задней передачи |
1 |
|
8 |
Q5280628 |
Штифт |
2 |
|
9 |
12JS160T-1702056 |
Вилка переключения 1-й и 2-й передач |
1 |
|
10 |
12JS160T-1702064-1 |
Шток вилок переключения 1-й-2-й и 3-й-3-й передач |
2 |
|
11 |
12JS160T-1702058-2 |
Вилка переключения 5-й - 6-й передач |
1 |
|
12 |
12JS160T-1702057 |
Вилка переключения 3-й и 4-й передач |
1 |
|
13 |
12JS160T-1702059-1 |
Головка переключения 5-й и 6-й передач |
1 |
|
14 |
3220-1 |
Винт стопорный вилки переключения передач |
1 |
|
15 |
12JS160T-1702066 |
Шток вилки переключения 5-й и 6-й передач |
1 |
|
16 |
12JS160T-1702054 |
Головка переключения 5-й и 6-й передач |
1 |
|
17 |
19.05G100BGB-T308 |
Шарик стальной |
3 |
|
18 |
1634 |
Штифт блокировки вала вилки |
2 |
|
19 |
JS100A-1702073 |
Палец опорный вала |
1 |
|
20 |
JS100A-1702072 |
Вилка |
1 |
|
21 |
12JS160T-1702015 |
Крышка верхняя |
1 |
|
22 |
Q40112 |
Шайба |
1 |
|
23 |
GB889-80-M12×1.25 |
Гайка |
1 |
|
24 |
12.7G100BGB-T308 |
Шарик стальной |
4 |
|
25 |
F96084 |
Пружина фиксаторов штока |
1 |
|
26 |
F96085 |
Пружина фиксаторов штока |
3 |
|
27 |
11066 |
Шпилька |
4 |
|
28 |
X-1-603 |
Гайка |
2 |
|
29 |
Q351B10 |
Гайка |
2 |
|
30 |
C01058-1 |
Гайка стопорная |
2 |
|
32 |
12JS160T-1702016 |
Прокладка верхней крышки |
1 |
|
33 |
6JS160T-1709587-1 |
Заглушка |
1 |
|
34 |
6JS160T-1709588-1 |
Кольцо уплотнительное пробки |
1 |
|
№ |
Каталожный номер |
Наименование |
Кол-во |
|
1 |
Q151B1050 |
Болт |
1 |
|
2 |
Q40310 |
Шайба пружинная |
1 |
|
3 |
Q341B10 |
Гайка |
1 |
|
4 |
F96035-64 |
Рычаг валика переключения передач |
1 |
|
5 |
F99669 |
Втулка (пыльник) |
1 |
|
6 |
F91444 |
Манжета валика переключения передач |
1 |
|
7 |
F91345 |
Втулка механизма управления переключением передач |
2 |
|
8 |
15276 |
Пробка сапуна |
1 |
|
9 |
12JS160T-1703015 |
Корпус механизма управления переключением передач |
1 |
|
10 |
Q72224 |
Заглушка механизма управления переключением передач |
1 |
|
11 |
Q43120 |
Кольцо стопорное |
1 |
|
12 |
F99673-1 |
Гнездо пружины |
2 |
|
13 |
12JS160T-1703027 |
Пружина |
1 |
|
14 |
12JS160T-1703024 |
Втулка |
1 |
|
15 |
F99672-2 |
Прокладка |
1 |
|
16 |
F99666-2 |
Крышка |
1 |
|
17 |
Q1420822 |
Болт |
2 |
|
18 |
C03030 |
Палец цилиндрический |
1 |
|
19 |
12JS160T-1703018 |
Держатель |
1 |
|
20 |
QH50-4211313 |
Болт |
2 |
|
21 |
12JS160T-1703022 |
Клапан контрольный |
1 |
|
22 |
12JS160T-1703021 |
Соединитель быстрого переключения |
1 |
|
23 |
C01053 |
Тройник |
1 |
|
24 |
F91353 |
Прокладка Н-образного клапана |
1 |
|
25 |
12JS160T-1703017 |
Валик механизма управления переключением передач |
1 |
|
26 |
C09035 |
Штифт блока управления переключением задней передачи |
1 |
|
27 |
F99681 |
Блок управления переключением заднего хода |
1 |
|
28 |
Q72318 |
Кольцо уплотнительное датчика |
2 |
|
29 |
666163 |
Трубка воздушная |
1 |
|
30 |
C01052 |
Фитинг |
1 |
|
31 |
C01051 |
Фитинг прямой |
6 |
|
32 |
666164 |
Трубка воздушная |
1 |
|
33 |
7935 |
Сапун |
2 |
|
34 |
12JS160T-1703021 |
Соединитель быстрого переключения |
1 |
|
35 |
666166 |
Трубка воздушная |
1 |
|
36 |
666165 |
Трубка воздушная |
1 |
|
37 |
12JS160T-1703052 |
Клапан одинарный Н-образный |
1 |
|
38 |
1642 |
Прокладка механизма управления переключением передач |
1 |
|
39 |
990.12.71.0041-5 |
Датчик нейтрального положения выбора передач |
1 |
|
40 |
0068DS-1 |
Датчик включения заднего хода |
1 |
|
41 |
12JS160T-1702095 |
Опора одинарного Н-образного клапана |
1 |
|
42 |
Q1420430 |
Болт крепления Н-образного клапана |
2 |
Регулятор воздушного фильтра КПП 12JS200TA+QH50-G2194

|
№ |
Каталожный номер |
Наименование |
Кол-во |
|
1 |
A-C03002-20 |
Регулятор воздушного фильтра |
1 |
|
2 |
C01052 |
Фитинг |
1 |
|
3 |
54015 |
Заглушка |
1 |
|
4 |
Q1420660 |
Болт |
2 |
|
5 |
Q618B01 |
Пробка с шестигранной головкой |
2 |
Шестерня ведущая демультипликатора КПП 12JS200TA+QH50-G2194

|
№ |
Каталожный номер |
Наименование |
Кол-во |
|
1 |
12JS160T-1701106 |
Шайба шестерни |
1 |
|
2 |
12JS160T-1701107 |
Кольцо стопорное |
2 |
|
3 |
50118 |
Подшипник |
1 |
|
4 |
JS220-1707031 |
Фланец фиксаторный подшипника демультипликатора |
1 |
|
5 |
C09032 |
Болт фланца фиксаторного |
6 |
|
6 |
12JS200T-1707030 |
Шестерня ведущая демультипликатора |
1 |
|
7 |
16763 |
Кольцо стопорное |
1 |
|
8 |
12JS160T-1701124 |
Опора подшипника |
1 |
|
9 |
C01019 |
Кольцо стопорное |
1 |
Вал выходной демультипликатора КПП 12JS200TA+QH50-G2194

|
№ |
Каталожный номер |
Наименование |
Кол-во |
|
1 |
12JS200T-1707105 |
Вал выходной демультипликатора |
1 |
|
2 |
12JS160T-1707140 |
Синхронизатор демультипликатора |
1 |
|
3 |
12JS200T-1707107 |
Прокладка выходного вала демультипликатора |
1 |
|
4 |
12JS160T-1707108 |
Шайба шестерни выходного вала демультипликатора |
1 |
|
5 |
12JS200T-1707106 |
Шестерня выходного вала демультипликатора |
1 |
|
6 |
F96006 |
Гайка с фланцем |
1 |
Валы промежуточные демультипликатора КПП 12JS200TA+QH50-G2194

|
№ |
Каталожный номер |
Наименование |
Кол-во |
|
1 |
42308E |
Подшипник промежуточного вала демультипликатора |
2 |
|
2 |
12JS200T-1707047 |
Вал промежуточный демультипликатора (длинный) |
1 |
|
3 |
12JS200T-1707050 |
Вал промежуточный демультипликатора (короткий) |
1 |
|
4 |
192311E |
Подшипник промежуточного вала демультипликатора |
2 |
|
5 |
JS180-1707051 |
Кольцо стопорное |
2 |
|
6 |
Q433120 |
Кольцо стопорное |
2 |
Крышка задняя КПП 12JS200TA+QH50-G2194

|
№ |
Каталожный номер |
Наименование |
Кол-во |
|
1 |
14335 |
Прокладка задней крышки |
1 |
|
2 |
JS220-1707015 |
Крышка задняя |
1 |
|
3 |
JS180-1707156 |
Прокладка крышки подшипника демультипликатора |
1 |
|
4 |
JS220-1707109 |
Подшипник роликовый |
1 |
|
5 |
14334 |
Штифт |
2 |
|
6 |
JS180-1707053 |
Прокладка крышки промежуточного вала демультипликатора |
2 |
|
7 |
JS180-1707052 |
Крышка промежуточного вала демультипликатора |
1 |
|
8 |
12JS160T-1707112 |
Кольцо уплотнительное |
2 |
|
9 |
JS220-1707111 |
Втулка ведущей шестерни спидометра |
1 |
|
10 |
A-C09008 |
Болт |
4 |
|
11 |
JS180-1701157-2 |
Индуктор датчика спидометра |
1 |
|
12 |
JS180-1707155-3 |
Крышка подшипника выходного вала демультипликатора |
1 |
|
13 |
19109-6 |
Манжета крышки подшипника выходного вала |
1 |
|
14 |
Q1421075 |
Болт крышки подшипника |
6 |
|
15 |
F96119 |
Пыльник фланца |
1 |
|
16 |
JS220-1707159-1 |
Фланец выходной |
1 |
|
17 |
Q72318 |
Кольцо уплотнительное датчика |
1 |
|
18 |
Q617B18 |
Пробка с шестигранной головкой |
1 |
Цилиндр переключения передач КПП 12JS200TA+QH50-G2194 JS220-1707060-47

|
№ |
Каталожный номер |
Наименование |
Кол-во |
|
01 |
JS220-1707060-47 |
Пневмоцилиндр переключения передач (под КОМ, двойной клапан) |
1 |
|
1 |
16775-1 |
Вилка демультипликатора |
1 |
|
2 |
Q171B1250 |
Болт вилки демультипликатора |
2 |
|
3 |
14347 |
Прокладка |
1 |
|
4 |
JS220-1707062-1 |
Корпус цилиндра |
1 |
|
5 |
Q1421032M |
Болт |
4 |
|
6 |
14765-3 |
Кольцо уплотнительное |
1 |
|
7 |
JS220-1707061-1 |
Шток цилиндра переключения передач |
1 |
|
8 |
14345-3 |
Кольцо уплотнительное |
1 |
|
9 |
GB890-80-M16x1.5 |
Гайка |
1 |
|
10 |
14341 |
Поршень цилиндра переключения передач |
1 |
|
11 |
14344-7 |
Кольцо уплотнительное |
1 |
|
12 |
14349 |
Прокладка крышки цилиндра |
1 |
|
13 |
QH70-4211401-17 |
Цилиндр нейтрального положения двухпоршневой |
1 |
Коробка отбора мощности КПП 12JS200TA+QH50-G2194 QH50-BH1-001
|
№ |
Каталожный номер |
Наименование |
Кол-во |
|
1 |
QH50-4211101-1 |
Корпус коробки отбора мощности |
1 |
|
2 |
Q40310 |
Шайба пружинная |
3 |
|
3 |
Q150B10130TF2 |
Болт |
1 |
|
4 |
QH50-4211312 |
Винт установочный |
1 |
|
5 |
QH50-4211301 |
Вилка муфты КОМ |
1 |
|
6 |
QH50-4211305 |
Вал вилки коробки отбора мощности |
1 |
|
7 |
QH50-4211302 |
Муфта переключения КОМ |
1 |
|
8 |
QH50-4211105 |
Пустотелый вал |
1 |
|
9 |
QH50-4211110 |
Комплект опорной пружины |
1 |
|
10 |
K505517 |
Подшипник игольчатый |
2 |
|
11 |
32205 |
Подшипник роликовый |
1 |
|
12 |
QH50-4211106 |
Входная шестерня КОМ |
1 |
|
13 |
QH50-4211104 |
Опора входной шестерни |
1 |
|
14 |
QH50-4211502 |
Шпилька |
1 |
|
15 |
Q5210824 |
Штифт |
2 |
|
16 |
Q80106 |
Фитинг |
1 |
|
17 |
Q80006 |
Наконечник |
1 |
|
18 |
Q80406 |
Корпус соединителя |
1 |
|
19 |
QH50-4211300 |
Кольцо уплотнительное |
1 |
|
20 |
QH50-4211309 |
Шайба уплотнительная |
1 |
|
21 |
QH70J-4211300-1 |
Кольцо уплотнительное |
1 |
|
22 |
QH50-4211310 |
Поршень |
1 |
|
23 |
QH50-4211207 |
Прокладка |
1 |
|
24 |
QH50-4211313 |
Внутренний шестигранный болт с пружинной шайбой |
1 |
|
25 |
QH50-4211311 |
Пружина возвратная |
1 |
|
26 |
QH50-4211306 |
Корпус цилиндра |
1 |
|
27/28 |
Q1420860 |
Болт с шестигранной головкой |
2 |
|
29 |
Q901 |
Вентиляционная пробка |
1 |
|
30 |
0068DS-5 |
Датчик включения КОМ |
1 |
|
31 |
Q614B03 |
Заглушка |
1 |
|
32 |
QH50-4211119-1 |
Табличка |
1 |
|
33 |
Q5410206 |
Заклепка для таблички |
2 |
|
34 |
HG4-692-76-40X65X12 |
Сальник КОМ |
1 |
|
35 |
Q129B1235 |
Шпилька |
2 |
|
36 |
Q341C12 |
Гайка |
4 |
|
37 |
Q129B1290 |
Шпилька |
2 |
|
38 |
Q40312 |
Пружинная шайба |
4 |
|
39 |
QH50-4211206-1 |
Крышка подшипника КОМ |
1 |
|
40 |
QH50-4211203 |
Шайба регулировочная |
4 |
|
41 |
30208 |
Подшипник пустотелого вала |
1 |
|
42 |
QH50-4211102-1 |
Крышка КОМ |
1 |
|
43 |
QH50-4211201-2 |
Вал выходной шестерни коробки отбора мощности |
1 |
|
44 |
QH50-4211314 |
Винт с шестигранной головкой |
3 |
|
45 |
QH50-4211307 |
Прокладка |
1 |
|
46 |
QH50-4211315 |
Винт с шестигранной головкой |
4 |
|
47 |
Q33210 |
Гайка |
1 |